EasyManua.ls Logo

JVC TH-A55

JVC TH-A55
73 pages
To Next Page IconTo Next Page
To Next Page IconTo Next Page
To Previous Page IconTo Previous Page
To Previous Page IconTo Previous Page
Loading...
2-5
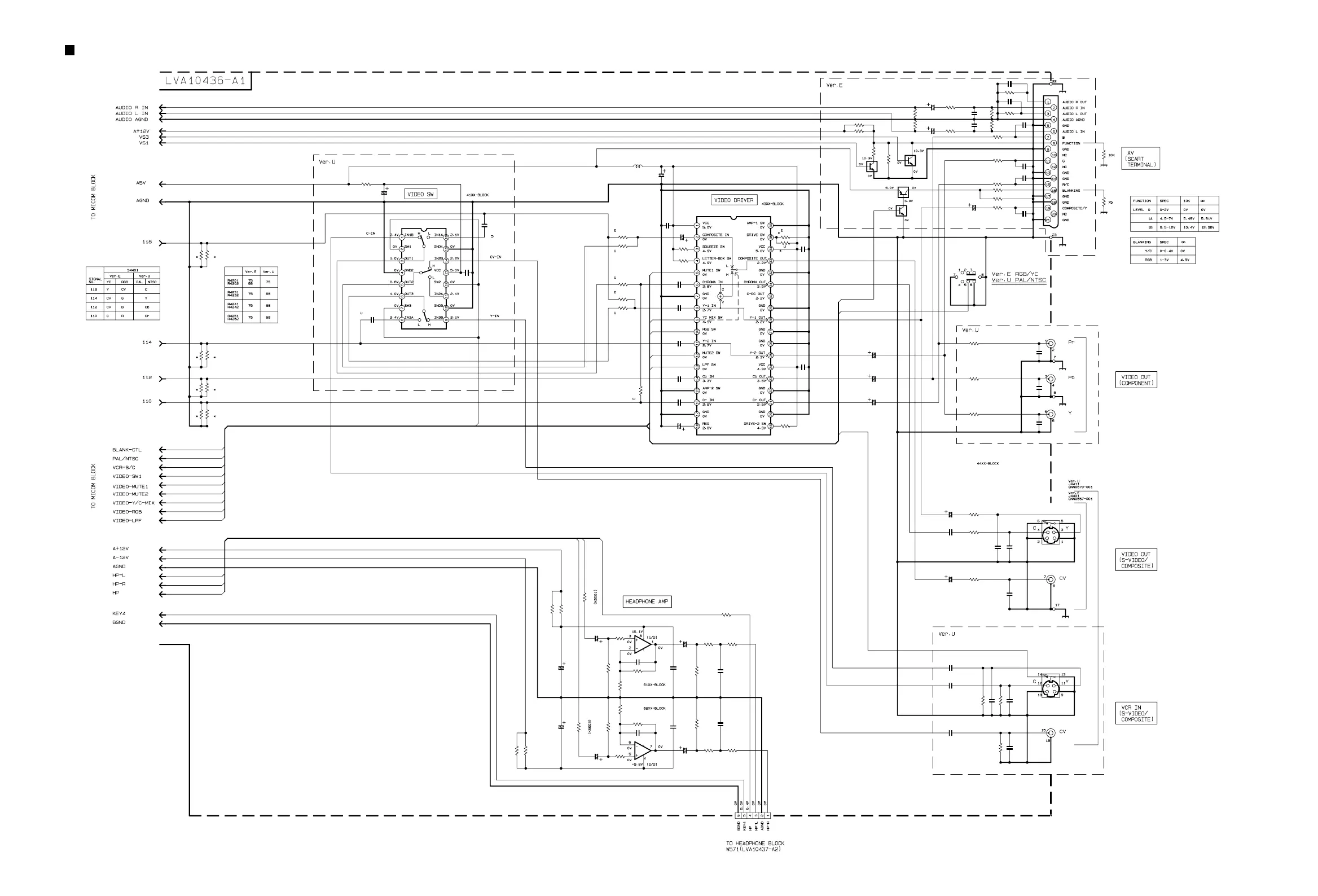
Video output section
(SHEET 2) (SHEET 2)
(SHEET 4)
R4182
R4173C4171
R4181
R4171
R4172
IC601
IC601
C4121
C4111
C4101
C6102
C6202
R6103
R6203
J4402
R6104
R6204
J4403
R4411
R4421
R4431
R4441
R4451
R4422
R4452
R4432
R4442
R4401
C4451
C4441
C4431
C4421
C4401
C4411
Q4484
R6102
R6202
C4422
IC411
R6101
R6201
C6101
Q4482
C6201
C4191
C4192
C6103
C6203 R6206
L4391
R6106
C4393
C4391
C4392
R6105
C4476
R4191 Q4481
R4482
R4383
R4384
CN412
R4385
R4381
R4382
C4471
C4311
C4321
C4331
C4341
C4351
R6205
C6104
C6204
R6107
R6207
S4401
R4472
R4471
R4474
R4473
R4485
R4486
Q4483
C4424
IC431
C4453
C4433
C4443
R6301
C6901
R4481
C6902
C4301
C4472
C4394
C4395
C4475
R4475
R4476
C6903
C6904
R4111
R4183
R4121
R4101
C4172
R4201
R4484
R4483
R4202R4252 R4232R4242
B6001
C4474C4473
C4452C4442C4432
C4402
C4412
C4423
R4231R4241R4251
R6902
R6904
B6003
R4478R4477
C4122
C4112C4102
R6901
R6903
0
0
1/6.3
0
0
0
HA17558AF-X
HA17558AF-X
1/6.3
0.01/16
1/6.3
18P
18P
150K
150K
QNN0386-001
10K
10K
QNZ0516-001
75
75
75
75
75
75
75
75
75
75
470/6.3
470/6.3
470/6.3
470/6.3
470/6.3
0.01/16
KRC102S-X
10K
10K
470/6.3
MM1233XF-X
100K
100K
4.7/50
KRC102S-X
4.7/50
47/16
0.01
47/50
47/50
33
220
33
470/10
470/10
0.1/16
47K
4.7/25
0
KRC102S-X
2K
0
10K
QGA2001C1-06
10K
10K
10K
330P
0.01/16
1/6.3
1/6.3
1/6.3
1/6.3
47K
0.01
0.01
39
39
QSW0454-001
150
150
470
470
100
10K
KRA102S-X
47P
LA73054-X
47P
47P
47P
1K
47/16
2K
47/16
47/16
330P
0.1/16
0.1/16
4.7/25
180K
180K
0.01
0.01
75
0
75
75
1/6.3
12K
820
0
330P330P
NININI
47P
47P
47P
270
270
0
180K180K47P
47PNI
270
270
AGND
VCR-S/C
A+12V
BGND
BLANK-CTL
KEY4
BLANK-CTL
DVD-112
DVD-118
VS3
SCART-RIN
VS1
VIDEO-SW
VIDEO-MUTE1
VIDEO-MUTE2
VIDEO-YCMIX
VIDEO-RGB
VIDEO-LPF
VIDEO-MUTE2
VIDEO-RGB
VIDEO-YCMIX
VIDEO-MUTE1
SCART-LIN
DVD-114
DVD-110
VIDEO-LPF
AGND
NTSEL
AGND
NTSEL
A5V
VCR-S/C
A+12V
A-12V
HP-L
HP-R
HP
HP-R
VIDEO-SW
HP-L
HP
SHEET 3

Other manuals for JVC TH-A55

Related product manuals