EasyManua.ls Logo

JVC TH-C30J - Page 66

JVC TH-C30J
91 pages
Print Icon
To Next Page IconTo Next Page
To Next Page IconTo Next Page
To Previous Page IconTo Previous Page
To Previous Page IconTo Previous Page
Loading...
2-6
+
-
+
-
+
-
+
-
+
-
+
-
+
-
+
-
+
-
+
-
VOL_DT
VOL_CK
AGND
9
10 11
TPSW4
TPSL4
TPL4
TPC4
TPSR4
TPR4
TPSW2
J1103
QND0118-001
1
3
6
7
8
5
2
4
4.7/50
C1212
4.7/50
C1104
4.7/50
C1205
4.7/50
C1103
4.7/50
C1206
4.7/50
C1211
330p/50
C1101
2.2/50
C1217
4.7/50
C1218
330p/50
C1102
R1109
330k
100k
R1176
R1174
NI
R1103
100k
R1172
470
R1102
100k
R1175
1k
R2556
NI
R1104
R1108
330k
R1173
470
R1101
100k
R1171
C1105
NI
R1112
NI
C1106
NI
C1107
NI
IC114
NI
6
5
7
8
4
C1108
NI
R1114
NI
C1109
NI
IC114
NI
2
3
1
R1111
27k
R1113
NI
R1110
27k
R1115NI
R1116
1k
1k
R1117
0
1
02FP
1
67891011
12
13
14
15
16
17
18
19
20
21
22
2324252627
2
8
0.1/50
C2554
0.047/50
C2536
0.15/50
C2537
R2521
4.7k
0.047/50
C2538
0.15/50C2539
R2520
4.7k
0.022/50C2540
0.022/50C2541
R1207
27K
R1212
NI
C1126
NI
C1125
NI
330p/50
C1122
NI
R1206
27k
R1203
C1127
NI
27k
R1204
R1202
330k
R1209
NI
4.7/50
C1124
IC115
NI
6
5
7
8
4
R1211 NI
C1129
NI
1k
R1213
NI
R1205
4.7/50
C1123
R1210
NI
IC115
NI
2
3
1
330p/50
C1121
C1128
NI
R1208
27k
J1102
QNN0476-001
4
3
1
R1214
1k
R1201
330k
R1301
100k
1k
R1303
4.7/50
C1333
1k
R1304
100p
C1332
R1302
100k
100p
C1331
J1102
QNN0476-001
5
6
2
4.7/50
C1334
4.7/50
C2521
0
C1111
0
C1112
0
C1132
0
C1131
J1101
QNN0598-001
4
3
J1101
2
1
47p
C1223
Q1102
RT1N141C-X
IC111
RC4580ID-X
6
5
7
NI
C1208
470p
C1225
NI
C1202
NI
R1147
Q1101
2SA1530A/QR/-X
1k
R1142
R1159
*1
R1163
*1
100k
R1146
4.7/50
C1203
3.3k
R1135
0.01
C1171
R1165
10k
1k
R1134
1k
R1133
NI
C1201
100k
R1138
3.3k
R1136
1k
R1149
IC112
RC4580ID-X
2
3
1
8
4
TPSR3
IC113
RC4580ID-X
2
3
1
IC112
RC4580ID-X
6
5
7
NI
C1214
NI
R1139
Q1122
IMX9-W
654
321
R1158
*1
1k
R1150
4.7/50
C1204
47p
C1226
R1162
*1
R1160
10k
10k
R2561
0.01
C1172
TPL3
47p
C1222
10k
R2560
Q1123
IMX9-W
654
321
0.01
C1170
47p
C1224
NI
R1140
NI
R1148
47/50
C2560
R1167
*1
NI
C1207
4.7/50
C1210
100k
R1155
100k
R1137
4.7/50
C1209
47p
C1221
Q1121
IMX9-W
654
321
1k
R1141
3.3k
R1144
4.7/50
C1216
R1164
10k
IC113
RC4580ID-X
6
5
7
8
4
10k
R1168
100k
R1145
TPSL3
R1161
10k
NI
R1131
3.3k
R1143
R1166
*1
NI
C1213
IC111
RC4580ID-X
2
3
1
8
4
3.3k
R1152
3.3k
R1151
100k
R1156
TPSW3
27k
R1169
TPC3
TPR3
NI
R1132
4.7/50
C1215
1k
R1185
1k
R1186
1k
R1183
1k
R1184
1K
R1181
1k
R1182
0.047/50
0.0022
C1441
0.0022
C1442
0.0022
C1444
0.0022
C1443
0.0022
C1445
0.0022
C1446
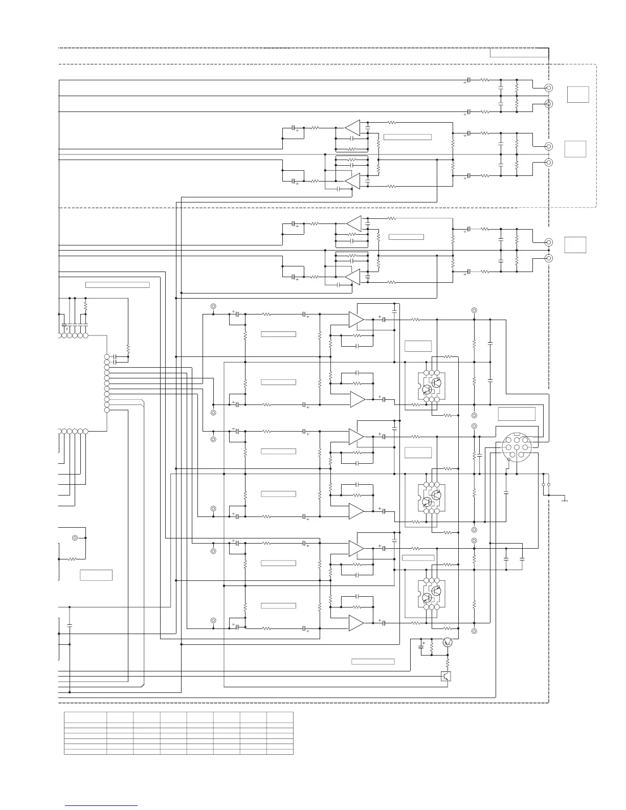
XV-THC20
L-IN
R-IN
IN
R
L
SR
SL
C
SW
SYSTEM
CONNECTOR
XV-THC30/40
AUX
10k
10k
*1
*2 USE C90
10k
LVA10636-A1
(2/2)
(1/2)
LIN
RIN
CIN
SWIN
SLIN
SRIN
DGND
DATA
CLOCK
SROUT
SLOUT
SWOUT
COUT
ROUT
LOUT
BASR1
BASR2
(1/2)
TAPE
AUDIO PWB
(2/2)
L-IN
R-IN
IN
TAPE
R-OUT
OUT
L-OUT
USE C90
(1/2)
S-MUTE DR.
12.4V
4.9V
4.9V
(2/2)
(1/2)
0V
7V
(2/2)
0V
7V
0V
7V
0V
12.4V
7V
0V
0V 0V
0V
7V
7V
7V
7V
7V
12.4V
7V
7V
7V
HP_OUT_R
4.9V
(2/2)
0V
7V
7V
(1/2)
HP_OUT_L
0V
7V
7V
7V
7V
0V
C AMP
SW AMP
AUX AMP
TAPE IN AMP
SL AMP
SR AMP
LcH AMP
RcH AMP
SIG SEL.VOL AMP
LR MUTE
SL SR
MUTE
SW C
MUTE
TUNER
L.P.F.
*2
10k
R1158
R1159
R1166 R1167
18k
18k
XV-THC50
XV-THC60
5.0V
5.0V
5.0V
5.0V
0V
5.0V
5.0V
5.0V
5.0V
GAINOUTL
BASL1
VOLINL
TRER
TRER
BASL2
5.0V
5.0V
5.0V
5.0V
5.0V
5.0V
5.0V
5.0V
5.0V
5.0V
5.0V
5.0V
13k 15k10k
10k 12k13k
*1*1
R1163
68k
R1162
10k
10k
-
R1174
R1173
100k
100k
100k
3.9k
0V0V 0V
0V
0V
0V
0V
0V
0V
0V
0V

Related product manuals