EasyManua.ls Logo

JVC XV-THM508

JVC XV-THM508
89 pages
To Next Page IconTo Next Page
To Next Page IconTo Next Page
To Previous Page IconTo Previous Page
To Previous Page IconTo Previous Page
Loading...
2-2
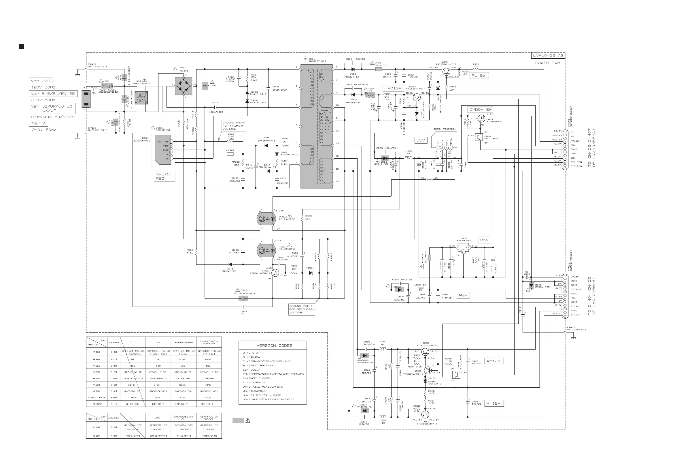
SHEET 1
Parts are safety assurance parts.
When replacing those parts make
sure to use the specified one.
Standard schematic diagrams
Power supply section
<Main body section>
(SHEET 2)
(SHEET 2)

Other manuals for JVC XV-THM508

Related product manuals