EasyManua.ls Logo

JVC XV-THM508 - Page 47

JVC XV-THM508
89 pages
To Next Page IconTo Next Page
To Next Page IconTo Next Page
To Previous Page IconTo Previous Page
To Previous Page IconTo Previous Page
Loading...
2-7
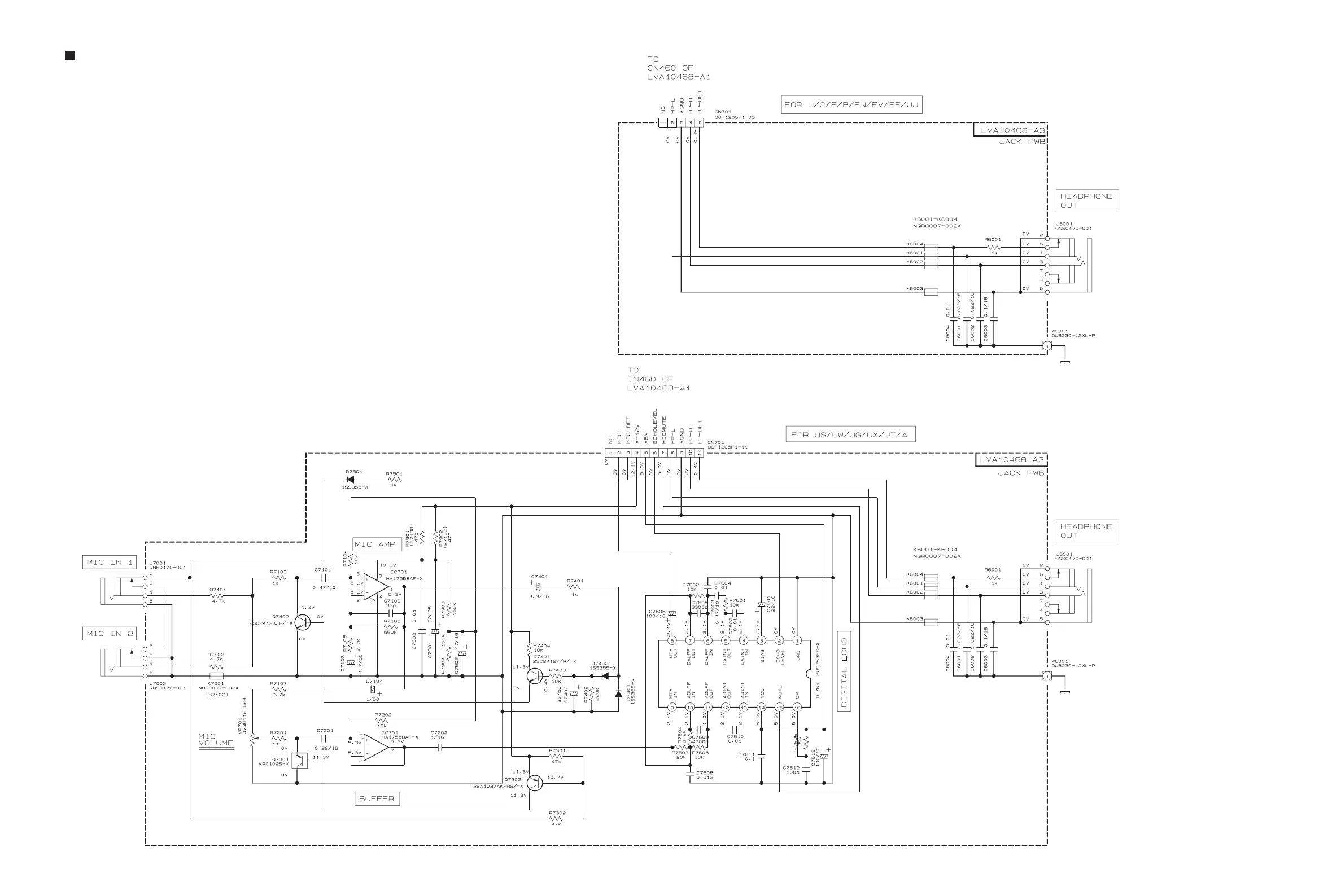
SHEET 6
(SHEET 2)
(SHEET 2)
Jack section

Other manuals for JVC XV-THM508

Related product manuals