EasyManua.ls Logo

Kaya Instruments KY-CL2F-D - Mechanical Specifications; 8.1 Dimensions

Default Icon
31 pages
Print Icon
To Next Page IconTo Next Page
To Next Page IconTo Next Page
To Previous Page IconTo Previous Page
To Previous Page IconTo Previous Page
Loading...
Camera Link Range Extender over Fiber User Manual
27
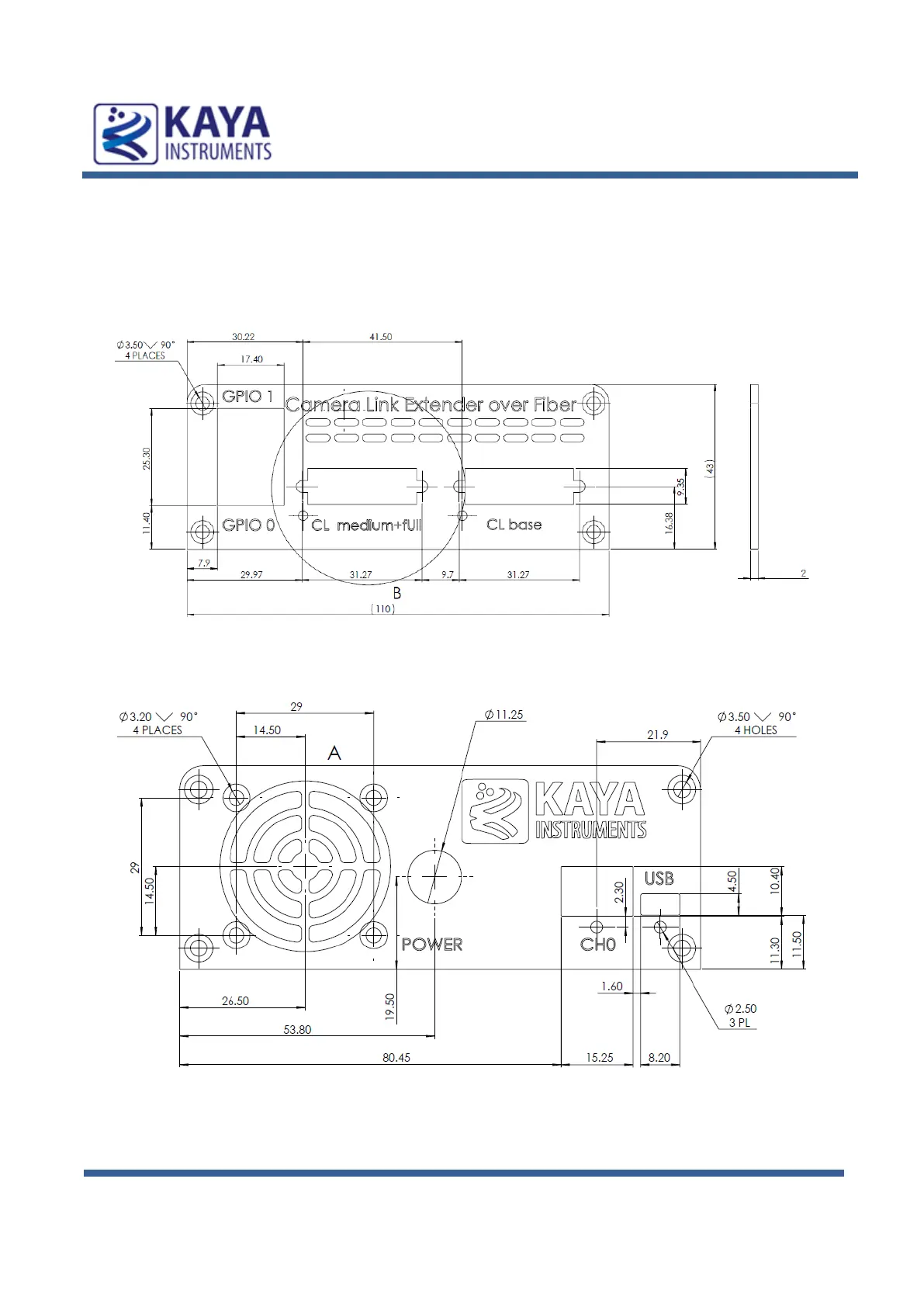
8.1 Dimensions
Each KY-EXT-CL unit is housed in a metal enclosure. The exact dimensions of the enclosure are as
shown in the images below:
Figure 14 : External dimensions of the KY-EXT-CL Camera Link side panel
Figure 15 : External dimensions of the KY-EXT-CL Fiber side panel
8 Mechanical Specifications

Table of Contents