EasyManua.ls Logo

KeepRite DLCPRA Series - Page 10

Default Icon
66 pages
Print Icon
To Next Page IconTo Next Page
To Next Page IconTo Next Page
To Previous Page IconTo Previous Page
To Previous Page IconTo Previous Page
Loading...
10 Specifications subject to change without notice. 32808000903
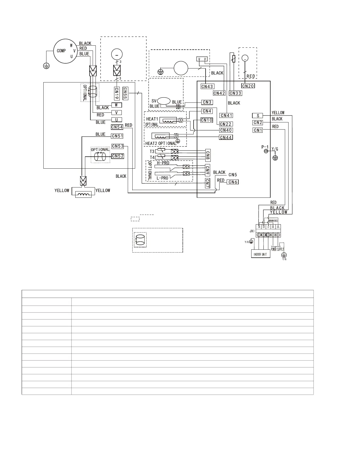
Sizes 18K to 24K
Fig. 7 — Wiring Diagram - Sizes 18K and 24K
Table 8 — Wiring Diagram - Sizes 18K and 24K
OUTDOOR UNIT MAIN BOARD
CODE PART NAME
CN1~CN2 Input:230VAC High voltage
CN5~CN6 Output:230VAC High voltage
P-1 Connection to the earth
CN10~CN44 Output:230VAC High voltage Basepan Heater
CN4~CN40 Output:230VAC High voltage Compressor Crankcase Heater
CN3~CN22 Output:230VAC High voltage
CN17~CN21 Output:Pin1-Pin4:Pulse waveform (0-12VDC), Pin5, Pin6(12VDC)
CN7 Output:Pin1(12VDC), Pin2(5VDC)Pin3(EARTH)
CN27~CN30 Output:Pin 2~Pin3(230VAC High voltage)
CN13 Pin1,Pin3,Pin5,Pin7,Pin9(5VDC):Pin2,Pin4,Pin6,Pin8,Pin10(0-5VDC)
CN33 Input:Pin1(0-5VDC),Pin2(5VDC), Discharge Temp
CN8 Input:Pin3,Pin4(5VDC),Pin2(0VDC),Pin1,Pin5(0-5VDC)
CN9 Input:Pin2,Pin4(0VDC),Pin1,Pin3(0-5VDC)H/L Pressure Switch
MAIN BOARD
Y/G
L
TP
EEV
FAN1
~
DRIVER BOARD
7
7
Applicable to the units
adopting AC motor only
CAP1
M
5(6)
5
4-WAY1
OPTIONAL
NOTE:Four-way valve
is used in the
Heat pump unit only
BLUE
Compressor crankcase heater
Basepan heater
FM1
Applicable to the units
adopting a DC motor only
Y/G
Notes:
This symbol indicates the element is optional,
the actual shape shall prevail.
NOTE:Use the magnetic ring
(not supplied, optional part)
to connect the connective cable
of the indoor and outdoor units
after installation. One magnetic
ring is used for one cable
.
L1
L2
BLUE(BLACK)
S
L1
L2
1L1L
L2