EasyManua.ls Logo

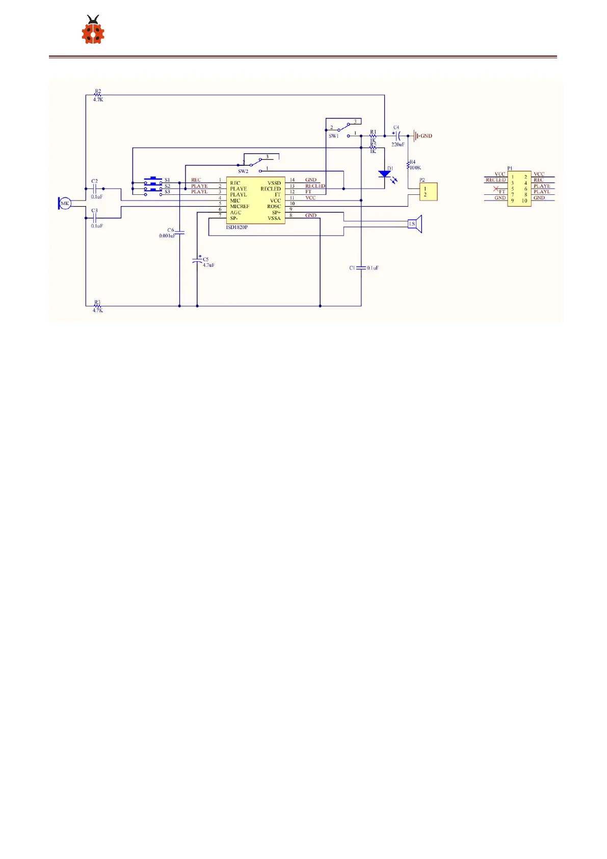
Keyestudio ISD1820 - Wiring Diagram

Keyestudio ISD1820
5 pages
Print Icon
To Next Page IconTo Next Page
To Next Page IconTo Next Page
To Previous Page IconTo Previous Page
To Previous Page IconTo Previous Page
Loading...
3
www.keyestudio.com
Wiring Diagram
A. The module VCC and GND provide DC 3-5V voltage supply, and blue terminal
block of the module is connected to an 8Ω 2W speaker.
B. The REPEAT and FT DIP switches on the module are dialed to the OFF terminal.
C. Speak into the microphone, press the REC button to record, the LED light will
illuminate, and the continuous sounding time is 10s.
D. Release the REC button and press the 1 PLATE button to get the test
phenomenon: the speaker starts to play the recording, and the whole segment
stops playing after it is finished.
E. Dial the REPEAT dial switch to the ON terminal, and the speaker will
automatically play the recording.
F. Dial the REPEAT dial switch to the OFF end, press and hold the PLAYL button,