EasyManua.ls Logo

Keysight Technologies 34401A - Page 150

Keysight Technologies 34401A
169 pages
Print Icon
To Next Page IconTo Next Page
To Next Page IconTo Next Page
To Previous Page IconTo Previous Page
To Previous Page IconTo Previous Page
Loading...
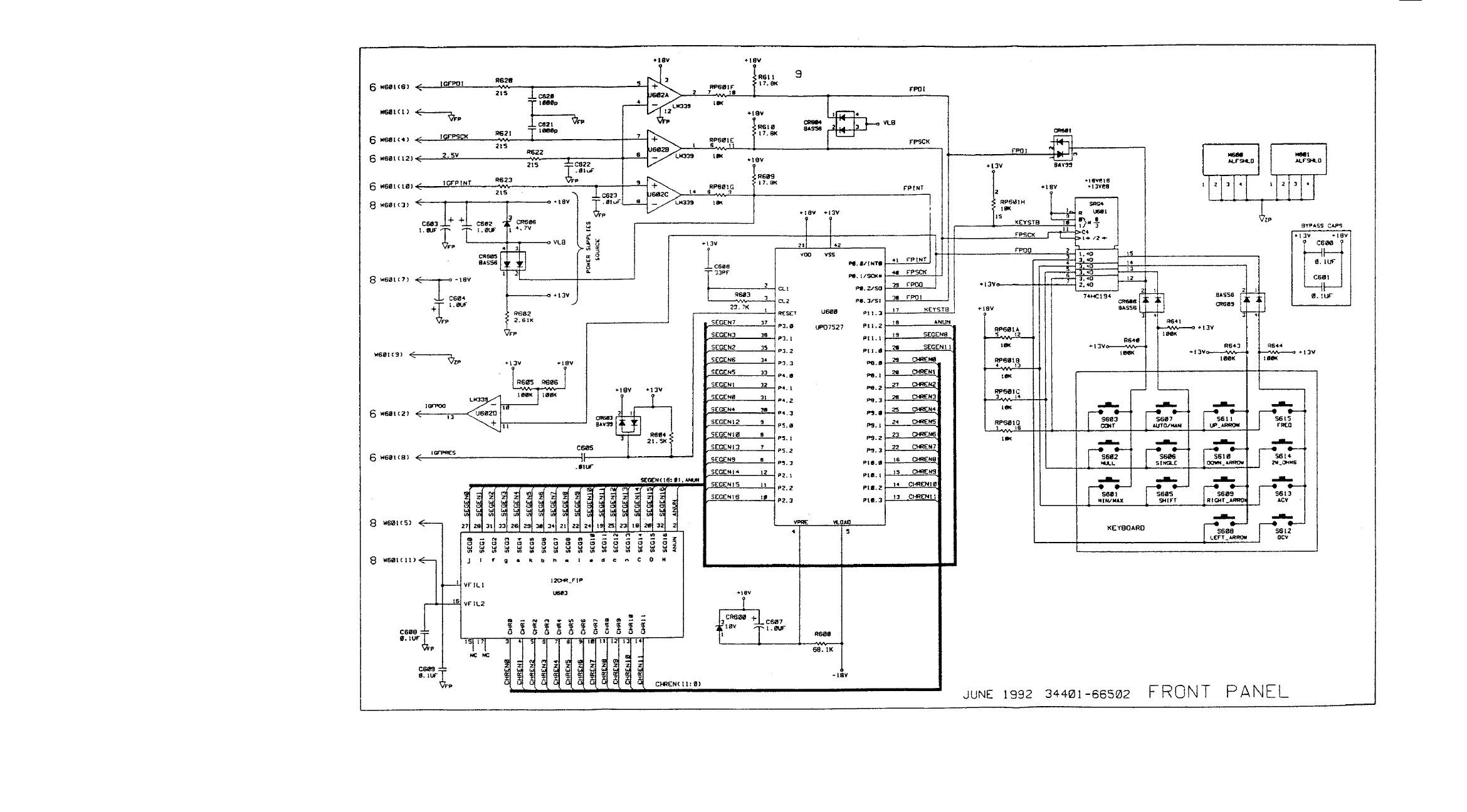
34401-66502 Schematic
141
Fold Here
Fold Here
Fold Here
Fold Here
Binder Edge (RH Page)
Foldout Cut Size = 9 x 19 inches
Binder Edge (RH Page)
Foldout Cut Size = 9 x 19 inches

Table of Contents

Related product manuals