EasyManua.ls Logo

KitchenAid 730-0856 - Page 115

KitchenAid 730-0856
141 pages
Print Icon
To Next Page IconTo Next Page
To Next Page IconTo Next Page
To Previous Page IconTo Previous Page
To Previous Page IconTo Previous Page
Loading...
14
15
16
15
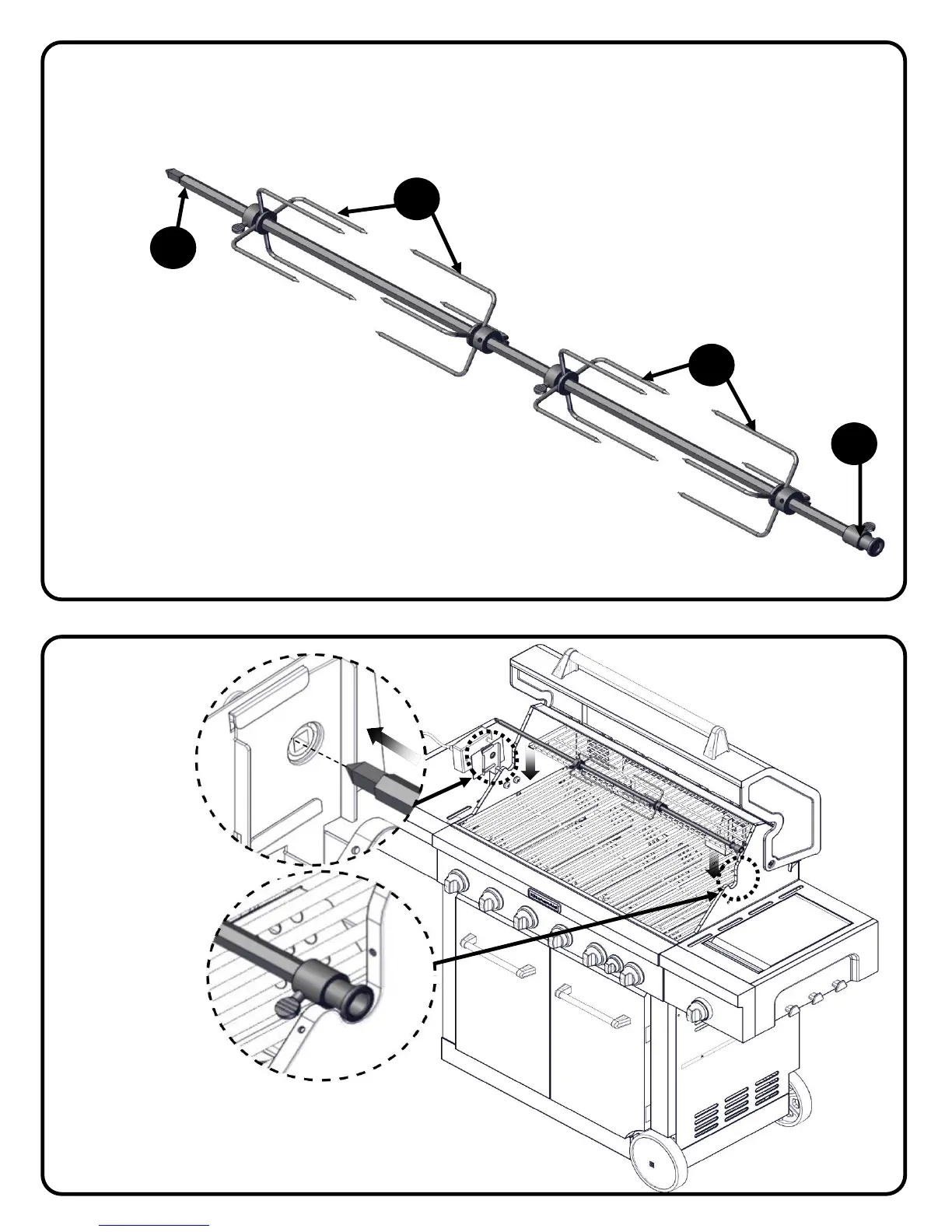
27.
28.
115

Table of Contents

Related product manuals