EasyManua.ls Logo

KitchenAid KBFA20ER - Schematic Diagram

KitchenAid KBFA20ER
68 pages
Print Icon
To Next Page IconTo Next Page
To Next Page IconTo Next Page
To Previous Page IconTo Previous Page
To Previous Page IconTo Previous Page
Loading...
7-3
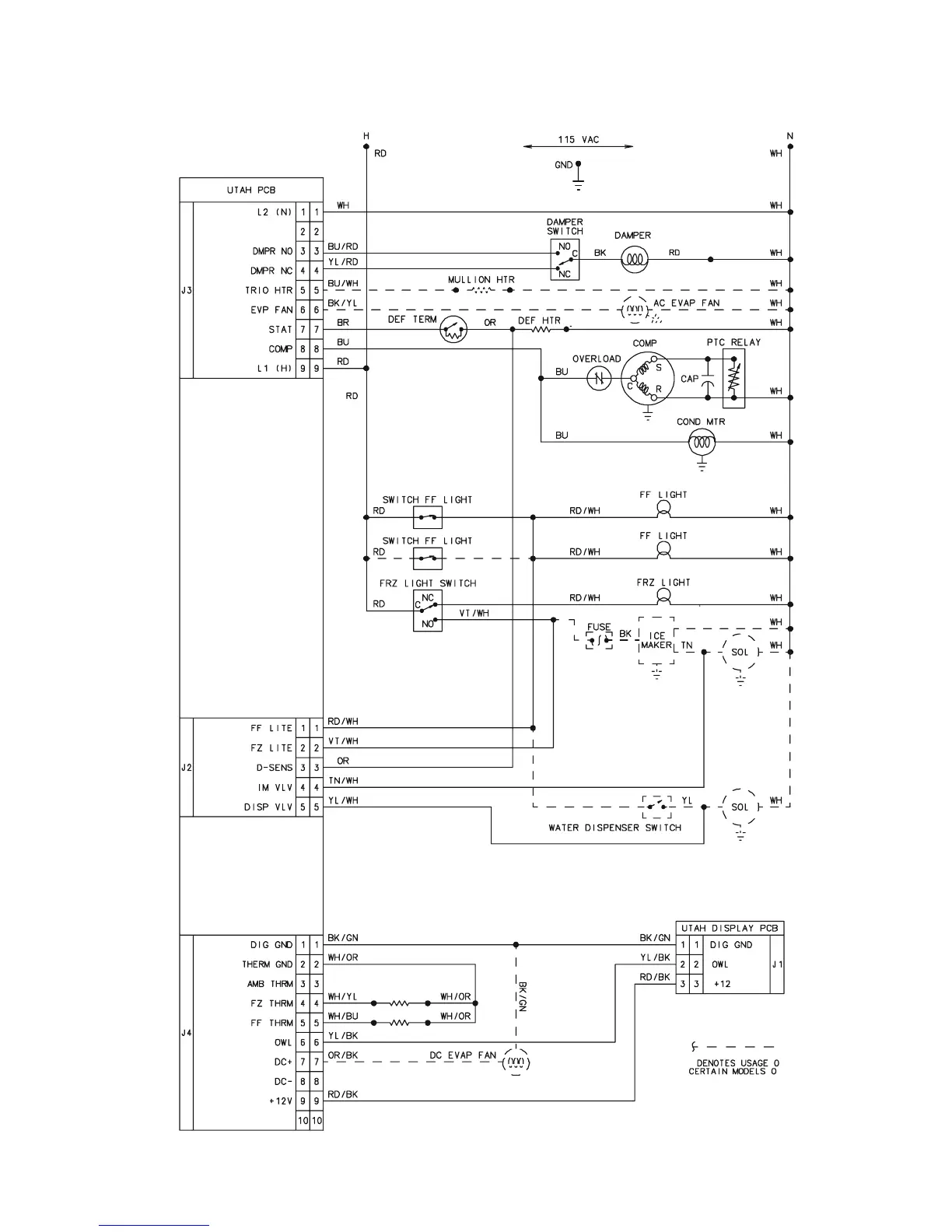
SCHEMATIC DIAGRAM

Table of Contents

Other manuals for KitchenAid KBFA20ER

Related product manuals