EasyManua.ls Logo

KitchenAid KDRP467KSS0 - Page 9

KitchenAid KDRP467KSS0
20 pages
Print Icon
To Next Page IconTo Next Page
To Next Page IconTo Next Page
To Previous Page IconTo Previous Page
To Previous Page IconTo Previous Page
Loading...
LI
GDN
W
w'
SPARK
MODULE ¢-_¢-_¢
J
¢__<r_o__@
VALVE SWITCHES
IGNITOR ELECTRODES
N L2
R
W
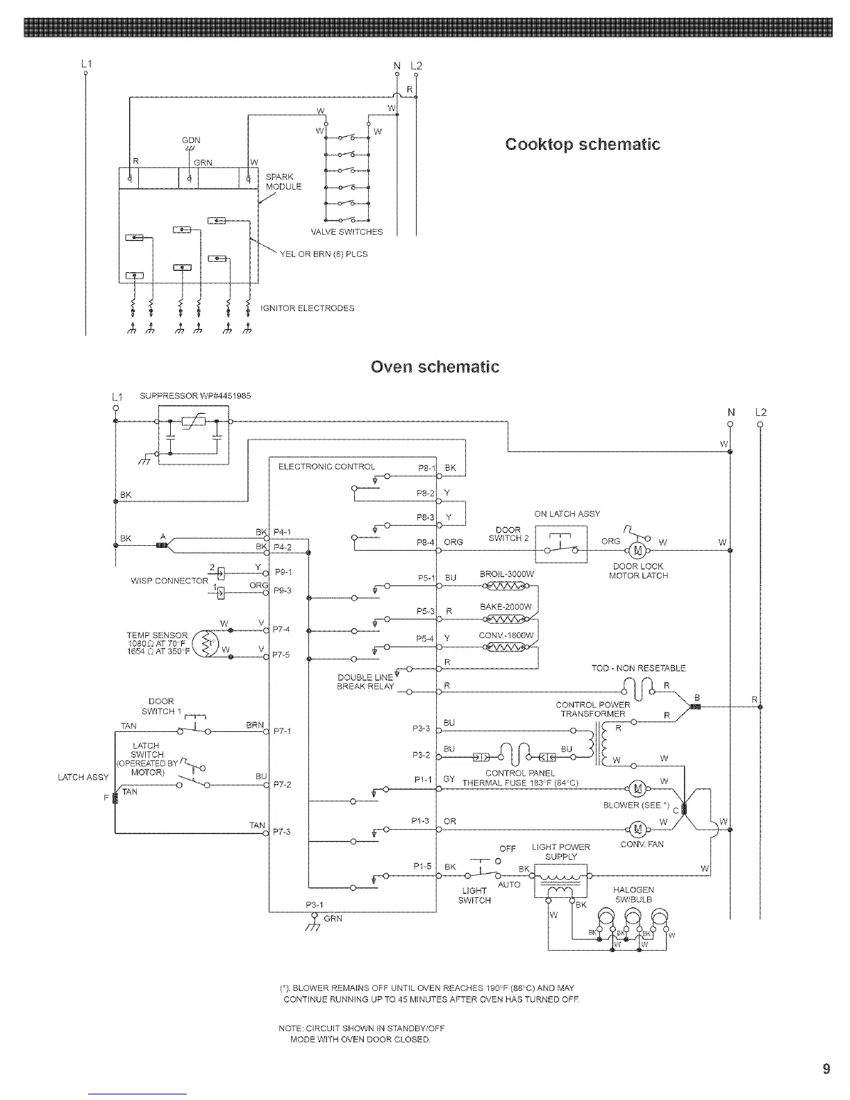
Cooktop schematic
LATCH ASSY
F
L1 SUPPRESSOR WP#4451985
BK
DOOR
SWITCH 1
TAN ©_L BRN
LATCH
SWITCH
B{
TAN
TA_,
P4-1
P4-2
P9-1
P9-3
P7-4
P7-5
P7-1
P7-2
P7-3
Oven schematic
P8-2 Y
P8-3
(_ P8-4
P5-3
P5-4
BREAK RELAY
--O----
P3-3
P3-2
P1 -I
P1-3
P3-I
PI-5
_fc_
_G
ORG
)
BU
l
ON LATCH ASSY
DOOR
SWITCH2 W
DOORLOCK
BROJL-3000W MOTORLATCH
BAKE-2000W
R
R
)
TOD - NON RESETABLE
N L2
F
(*) BLOWER REMAINS OFF UNTIL OVEN REACHES 190F (88 C) AND MAY
CONTINUE RUNNING UP TO 45 MINUTES AFTER OVEN HAS TURNED OFF
NOTE: CIRCUIT SHOWN IN STANDBY/OFF
MODE WITH OVEN DOOR CLOSED

Related product manuals