EasyManua.ls Logo

KitchenAid KSM150AGBCA0 - Page 8

KitchenAid KSM150AGBCA0
9 pages
Print Icon
To Next Page IconTo Next Page
To Next Page IconTo Next Page
To Previous Page IconTo Previous Page
To Previous Page IconTo Previous Page
Loading...
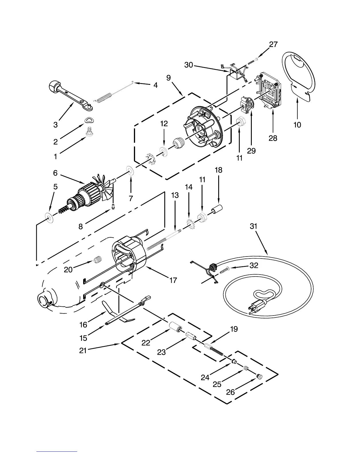
MOTORANDCONTROLUNITPARTS
07/24/2013
8
PartNo.W10325324Rev.C

Related product manuals