EasyManua.ls Logo

Kity 706 - Page 29

Kity 706
Print Icon
To Next Page IconTo Next Page
To Next Page IconTo Next Page
To Previous Page IconTo Previous Page
To Previous Page IconTo Previous Page
Loading...
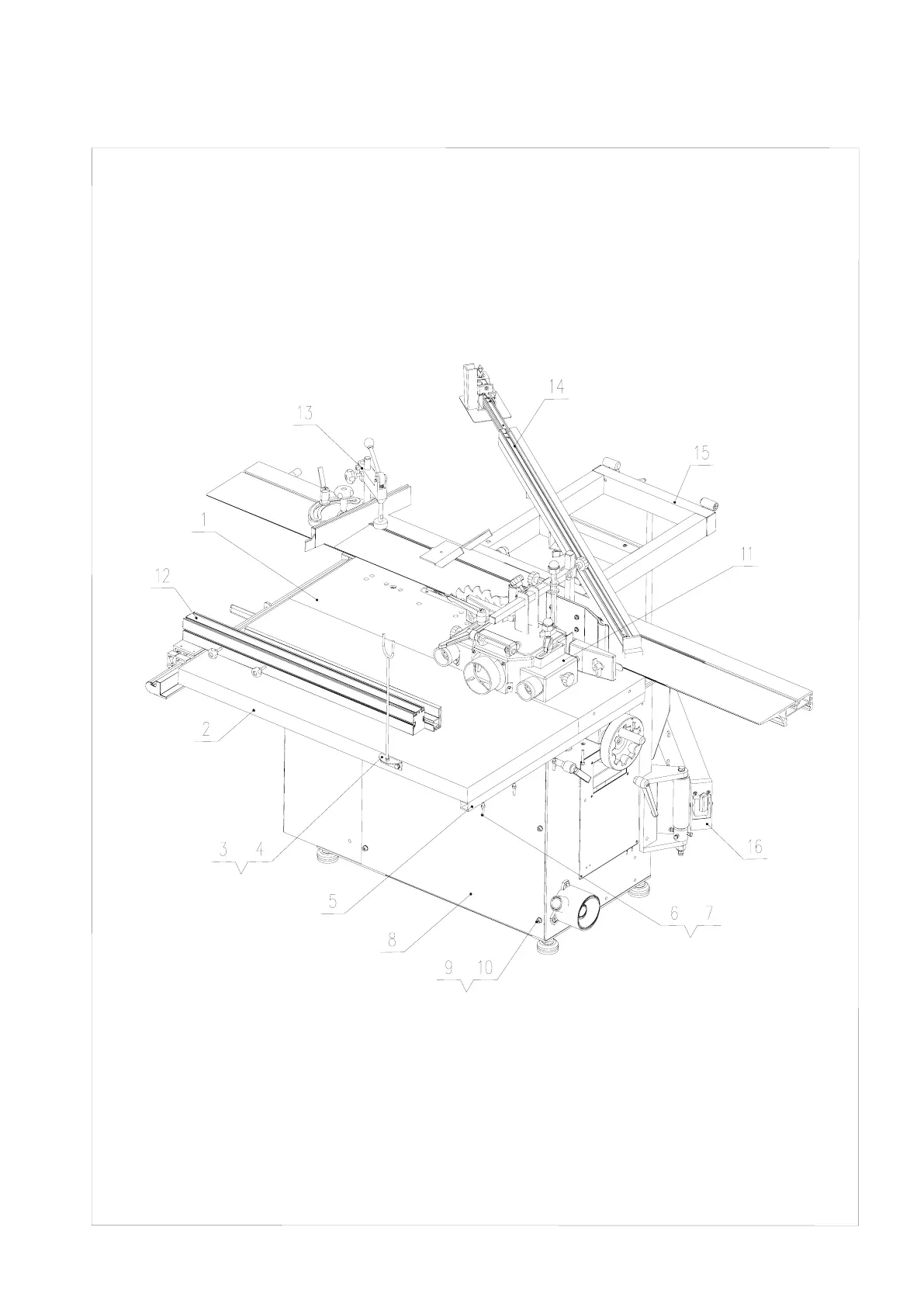
TAV. 1

Related product manuals