EasyManua.ls Logo

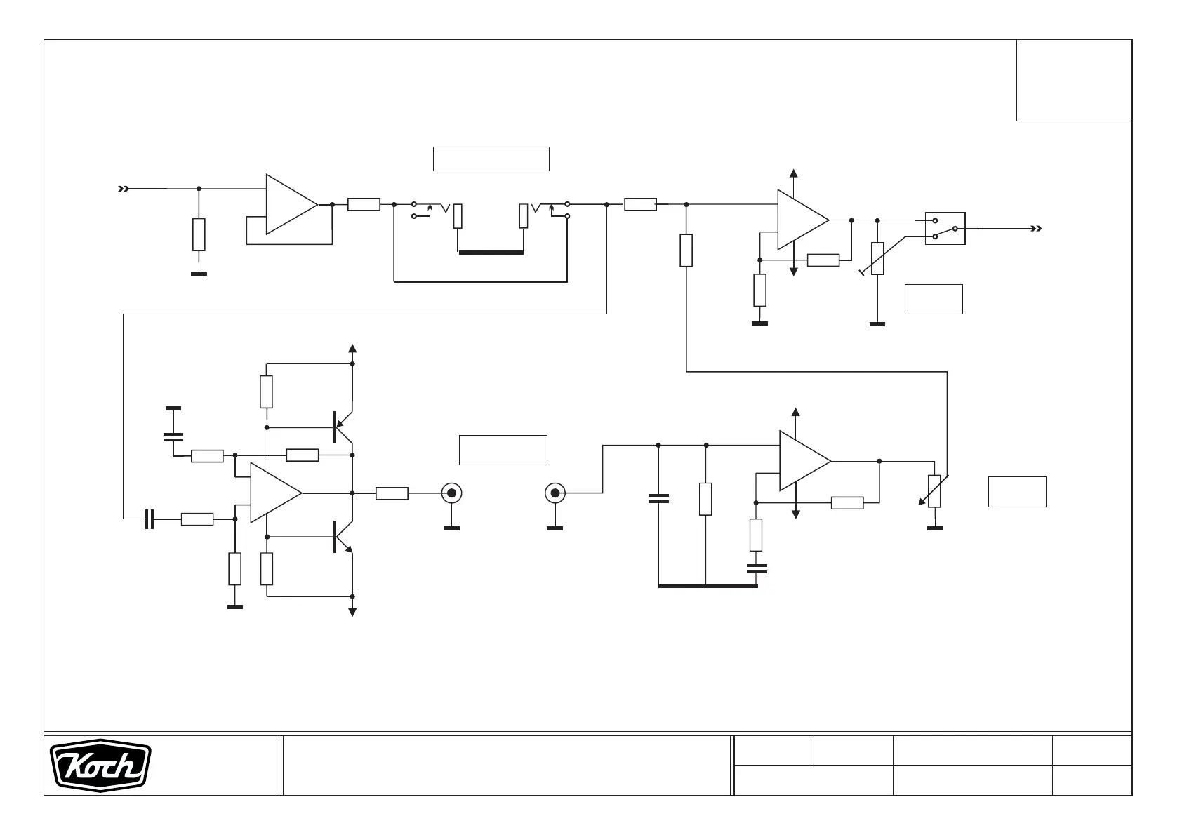
Koch TWINTONE - FX Loop and Reverb; FX Loop Interface; Reverb Volume

Koch TWINTONE
4 pages
Print Icon
To Next Page IconTo Next Page
To Next Page IconTo Next Page
To Previous Page IconTo Previous Page
To Previous Page IconTo Previous Page
Loading...
IC1 - OP249
IC2 - TL071
IC3 - TL061
T1 - BD136
T2 - BD135
R52
R46
R47
R50
R51
R48
R49
33
2W
10K
1K
470K
6K8100K
6K8
+F
-F
C25
C26
68n
100n
-
+
2
3
7
6
4
IC3
T1
T2
REL2
P11
25K
CW
R45
R41
R55
R42
R40
R54
R43
R44
R53
P12
10K
1K
47K
47K
220K
10K
47K
1K
220K
20KN
+G
+G
-G
-G
C27
C28
2n2
33N
+
+
+
-
-
-
3
3
5
2
2
6
8
7
1
6
7
4
4
IC1B
IC2
IC1A
CW
TO FX FROM FX
REVERB
VOLUME
MASTER
VOLUME
REVERB
out in
reverb can:
Accutronics
4AB3C1B
to pwr amp
from preamp
TWINTONE
FX LOOP, REVERB
PAGE:
2of4
KOCH
GUITAR ELECTRONICS
Amersfoort
The Netherlands
DRAWN:
Dolf Koch
c
MARK:
4.0
Copyright 1995, Koch Guitar Electronics
DATE:
march 2001
SERIAL NRS:
x631 - x760

Related product manuals