EasyManua.ls Logo

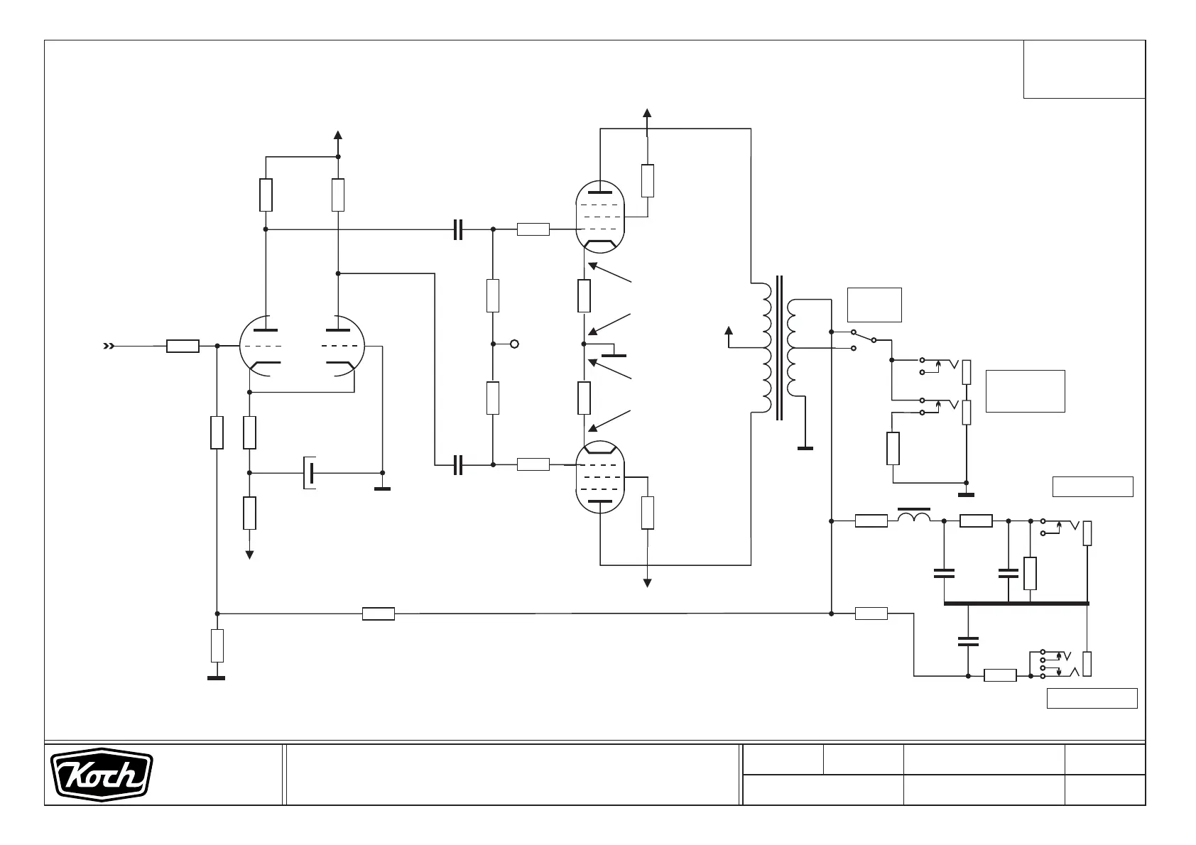
Koch TWINTONE - Power Amp Section; Speaker Outputs; Recording Output; Headphone Output

Koch TWINTONE
4 pages
Print Icon
To Next Page IconTo Next Page
To Next Page IconTo Next Page
To Previous Page IconTo Previous Page
To Previous Page IconTo Previous Page
Loading...
TWINTONE
POWER AMP
PAGE:
3of4
KOCH
GUITAR ELECTRONICS
Amersfoort
The Netherlands
DRAWN:
Dolf Koch
c
MARK:
4.0
Copyright 1995, Koch Guitar Electronics
DATE:
march 2001
SERIAL NRS:
x631 - x760
br
pu
gn
rd
bl
ye
R68
R77
R78
R79
R81
R71
R60
R63
R61 R66
R67
R65R64
R62
R80
R74
R75
R76
R69
R70
BIAS
R72
30-40mV DC
30-40mV DC
adjust with P13
(use matched
EL34s only)
R73
47K
2K2
220
2W
100mH
22K
220
2W
47K
100K
47K
470K 6K8
220
120K
1W
100K
1W
10K
1K
1K
5W
1K
5W
8R2
50W
220K
220K
1R
1W
1R
1W
+B
+B
+HT
+C
-F
C41
C42
C40
C43 C44
C45
100n
100n
100u
25V
33n 33n
470n
TX1
83
1-8
1-8
7
2
5
5
4
4
61
3
3
V4B V4A
V5
V6
from fx mixer
SPEAKER
OUTPUTS
8 ohms
4 ohms
RECORDING
HEADPHONES
V4 - 12AX7
V5,6 - EL34
TX1 - TXO-50.1

Related product manuals