EasyManua.ls Logo

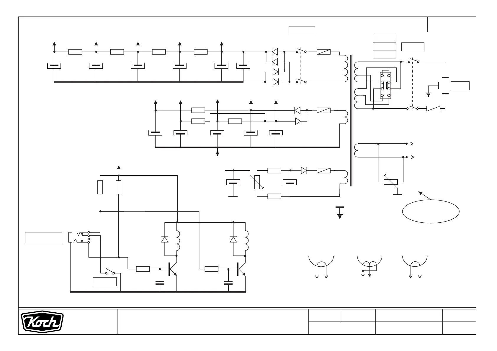
Koch TWINTONE - Power Supply and Logic; Mains Power Input; Power Switch; Standby Function

Koch TWINTONE
4 pages
Print Icon
To Previous Page IconTo Previous Page
To Previous Page IconTo Previous Page
Loading...
T3,4 - BC550
TX2 - TXM-50.3
Z1
230V - T1.6A
115V - T3.15A
MAINS
POWER
ye
115 V
230 V
100 V
rd
gy
bk
or
bn
TWINTONE
POWER SUPPLY, LOGIC
PAGE:
4of4
KOCH
GUITAR ELECTRONICS
Amersfoort
The Netherlands
DRAWN:
Dolf Koch
c
MARK:
4.0
Copyright 1995, Koch Guitar Electronics
DATE:
march 2001
SERIAL NRS:
x631 - x760
P14
P13
100R
22K
CW
CW
R93R92R91R90
R94
R95
R96
R98
R97
R101 R102
Z2
Z3
Z4
R99 R100
220
5W
3K3
1W
3K3
1W
10K
220
220
3R3 5W
22K
1K
10K
C53
2n2
C54
2n2
10K
T0,5A
T1,6A
T0,5A
1K 1K
+G
+F
-G
to filaments V1
-F
+HT+B+C+D+E
+F
BIAS
C49C46
C44C43C42C41C40
C50
C52C51
C47
C48
C45
3300u
16V
100u
16V
47u
450V
47u
450V
22u
450V
22u
450V
22u
450V
3300u
16V
100u
100V
4u7
100V
100u
16V
3300u
16V
47u
450V
REL1
12VDC
REL2
12VDC
6,5V
10V
40V
300V
TX2
gn
gn
gy
pu
bl
gy
pu
bl
T3 T4
4x
1N4007
to filaments V2-6
2x
1N4007
1N4007
1N4007
1N4007
STANDBY
HUM
BALANCE
MANUAL
FOOTSWITCH
filaments
V2- V4 V5-V6
4
2
5
7
9
V1
45
REPLACE WITH:
250R

Related product manuals