EasyManua.ls Logo

Kohler 14RCAL - Page 80

Kohler 14RCAL
92 pages
Print Icon
To Next Page IconTo Next Page
To Next Page IconTo Next Page
To Previous Page IconTo Previous Page
To Previous Page IconTo Previous Page
Loading...
80 TP-7091 4/23
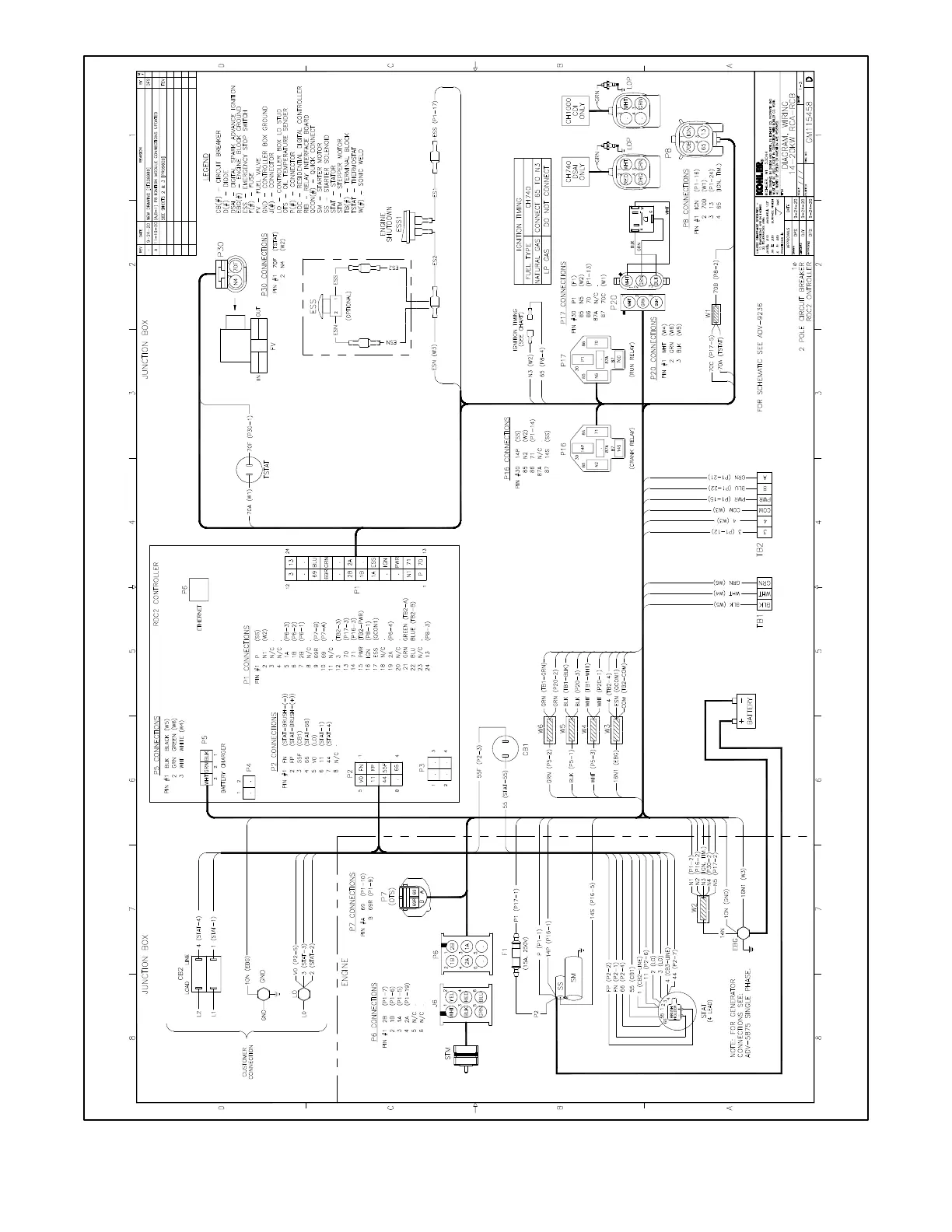
Figure 80 Wiring Diagram, 14/20RCA/L, GM115458 Sheet 1, Single Phase, 2-Pole Circuit Breaker

Other manuals for Kohler 14RCAL

Related product manuals