EasyManua.ls Logo

Kohler 32EKOZD - Page 130

Kohler 32EKOZD
168 pages
Print Icon
To Next Page IconTo Next Page
To Next Page IconTo Next Page
To Previous Page IconTo Previous Page
To Previous Page IconTo Previous Page
Loading...
130 TP-7044 6/23
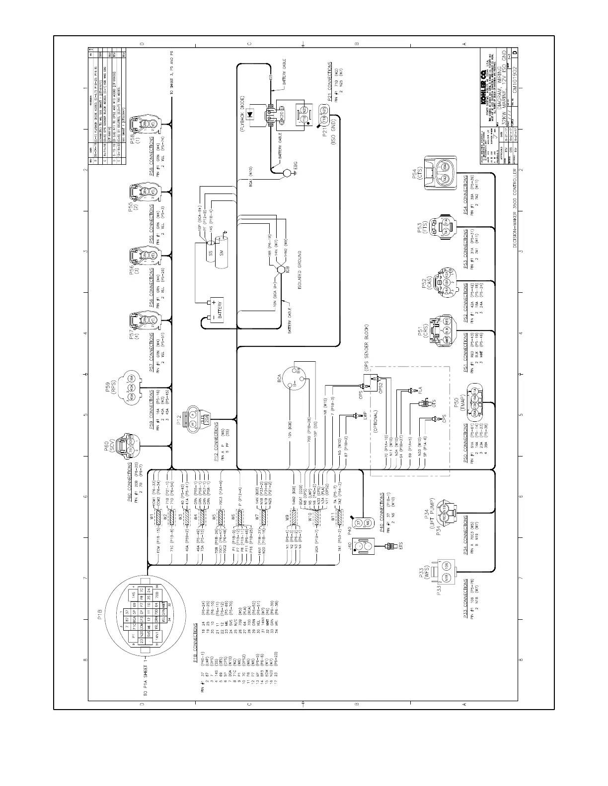
Figure 77 Wiring Diagram, Point-to-Point (Sheet 2 of 3) for 32EKOZD/28EFKOZD 12-Volt, Isolated Ground Models

Table of Contents

Other manuals for Kohler 32EKOZD

Related product manuals