EasyManua.ls Logo

Kohler 32EKOZD - Page 145

Kohler 32EKOZD
168 pages
Print Icon
To Next Page IconTo Next Page
To Next Page IconTo Next Page
To Previous Page IconTo Previous Page
To Previous Page IconTo Previous Page
Loading...
TP-7044 6/23 145
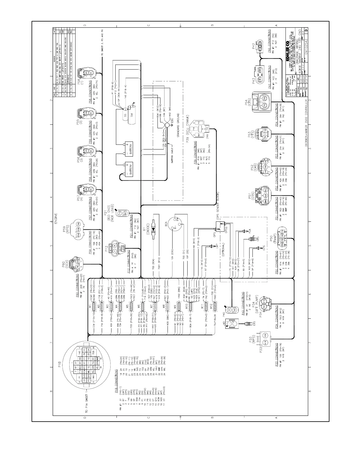
Figure 92 Wiring Diagram, Point-to-Point (Sheet 2 of 3) for 40EKOZD/35EFKOZD 24-Volt, Standard Ground Models

Table of Contents

Other manuals for Kohler 32EKOZD

Related product manuals