EasyManua.ls Logo

Kohler command pro PCH740 - Page 28

Kohler command pro PCH740
88 pages
Print Icon
To Next Page IconTo Next Page
To Next Page IconTo Next Page
To Previous Page IconTo Previous Page
To Previous Page IconTo Previous Page
Loading...
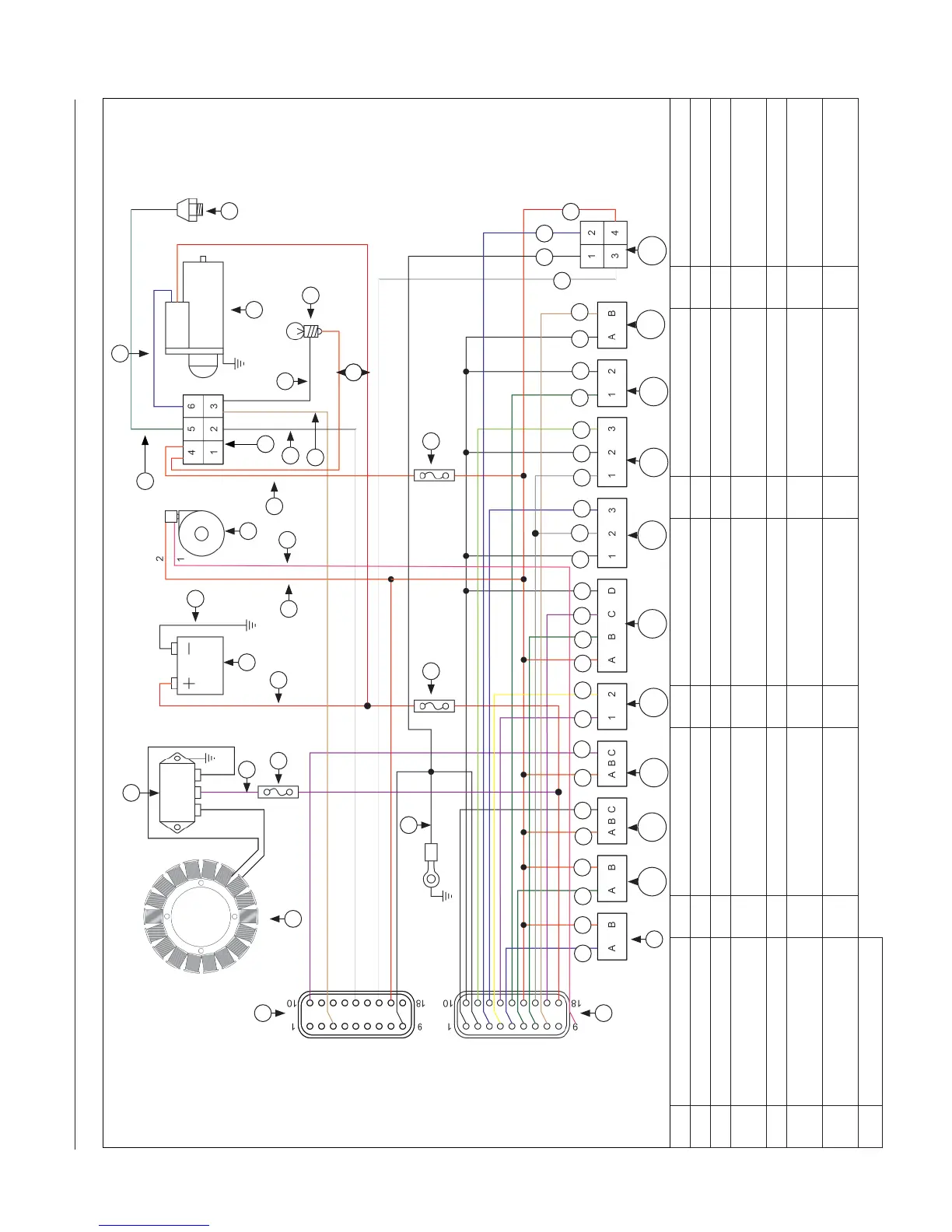
Propane EFI System
28
24 690 32 Rev. AKohlerEngines.com
Wiring Harness
EFI Wiring Diagram 6-Terminal Connector
A Red B Red/Black C Red/White D Yellow E Light Green
F Dark Green G Dark Blue H Purple I Pink J Tan
K White L Grey M Black N Stator O Recti er-Regulator
P 30A Fuse Q Battery R
Vaporizer/Regulator/
Lock-Off
S 6-Terminal Connector T Starter Motor
U Oil Pressure Switch V MIL W 10A Fuse X Black Connector Y Grey Connector
Z Fuel Injector #1 AA Fuel Injector #2 AB Ignition Coil #1 AC Ignition Coil #2 AD
Crankshaft Position
Sensor
AE Oxygen Sensor AF
Throttle Position
Sensor
AG
Manifold Absolute
Pressure Sensor
AH
Oil Temperature
Sensor
AI
Intake Air
Temperature Sensor
AJ Diagnostic Connector
C
J
G
B
F
B
B
M B
H
H
D B
F
H
M
M
L
G L
M
E
F
M
M
J
K
M G
B
K
W
AP
H
I
V
W
O
Y
M
M
A
N
X
Q
R
T
A
U
Z
AA
AB
AC
AD
AE
AF
AG
AH
AI
AJ
G
F
S
M
B

Related product manuals