EasyManua.ls Logo

Kohler command pro PCH740 - Page 29

Kohler command pro PCH740
88 pages
Print Icon
To Next Page IconTo Next Page
To Next Page IconTo Next Page
To Previous Page IconTo Previous Page
To Previous Page IconTo Previous Page
Loading...
2924 690 32 Rev. A KohlerEngines.com
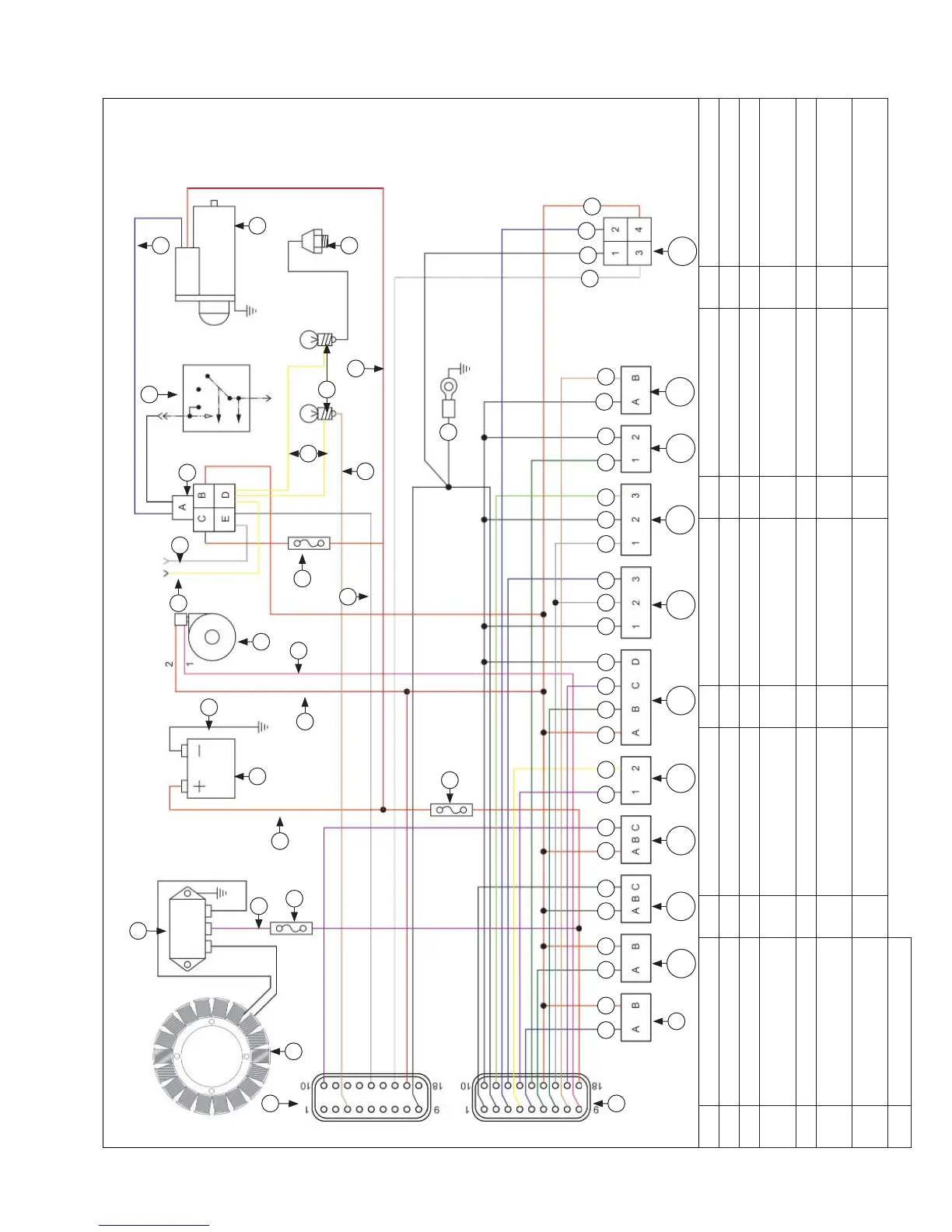
Propane EFI System
W
B
A
D
M
W
K
I
M
S
P
H
Y
O
C
A
K
X
N
Q
R
J
G
U
T
G B F B B M B H H D B F H M M L G L M E F M
M
J
K
M
G
B
Z
AJ
AI
AH
AG
AFAEADACAB
AA
V
D
EFI Wiring Diagram 5-Terminal Connector (Key Switch Optional)
A Red B Red/Black C Red/White D Yellow E Light Green
F Dark Green G Dark Blue H Purple I Pink J Tan
K White L Grey M Black N Stator O Recti er-Regulator
P 30A Fuse Q Battery R Vaporizer/Regulator/
Lock-Off
S 5-Terminal Connector T Starter Motor
U Oil Pressure Switch V MIL W 10A Fuse X Black Connector Y Grey Connector
Z Fuel Injector #1 AA Fuel Injector #2 AB Ignition Coil #1 AC Ignition Coil #2 AD Crankshaft Position
Sensor
AE Oxygen Sensor AF Throttle Position
Sensor
AG Manifold Absolute
Pressure Sensor
AH Oil Temperature
Sensor
AI Intake Air
Temperature Sensor
AJ Diagnostic Connector

Related product manuals