EasyManua.ls Logo

Koldwave 5WK26 - Electrical Diagram

Default Icon
44 pages
Print Icon
To Next Page IconTo Next Page
To Next Page IconTo Next Page
To Previous Page IconTo Previous Page
To Previous Page IconTo Previous Page
Loading...
13
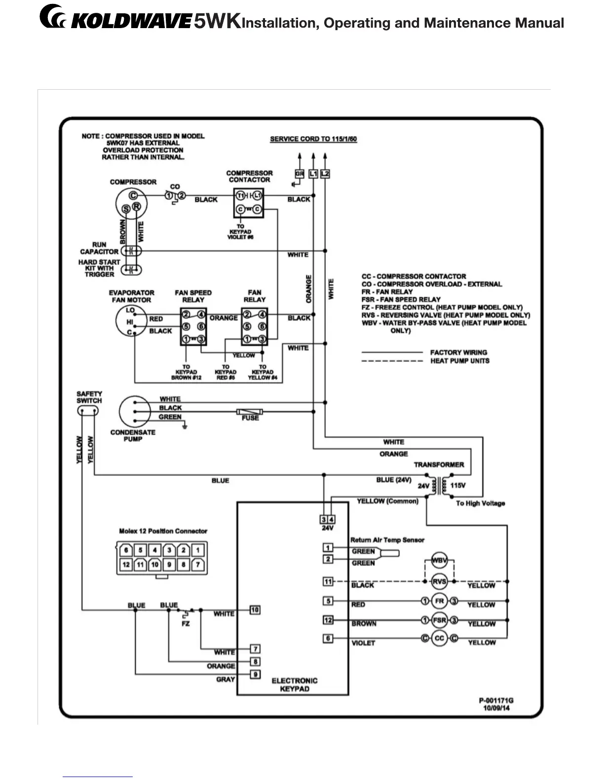
Figure 13 - 5WK07-115/1 PH
Electrical Diagram

Related product manuals