EasyManua.ls Logo

Komatsu 15045 - Engine Oil Management System

Komatsu 15045
537 pages
Print Icon
To Next Page IconTo Next Page
To Next Page IconTo Next Page
To Previous Page IconTo Previous Page
To Previous Page IconTo Previous Page
Loading...
3.2 CONSTRUCTION OF THE SHOVEL OPERATION
64
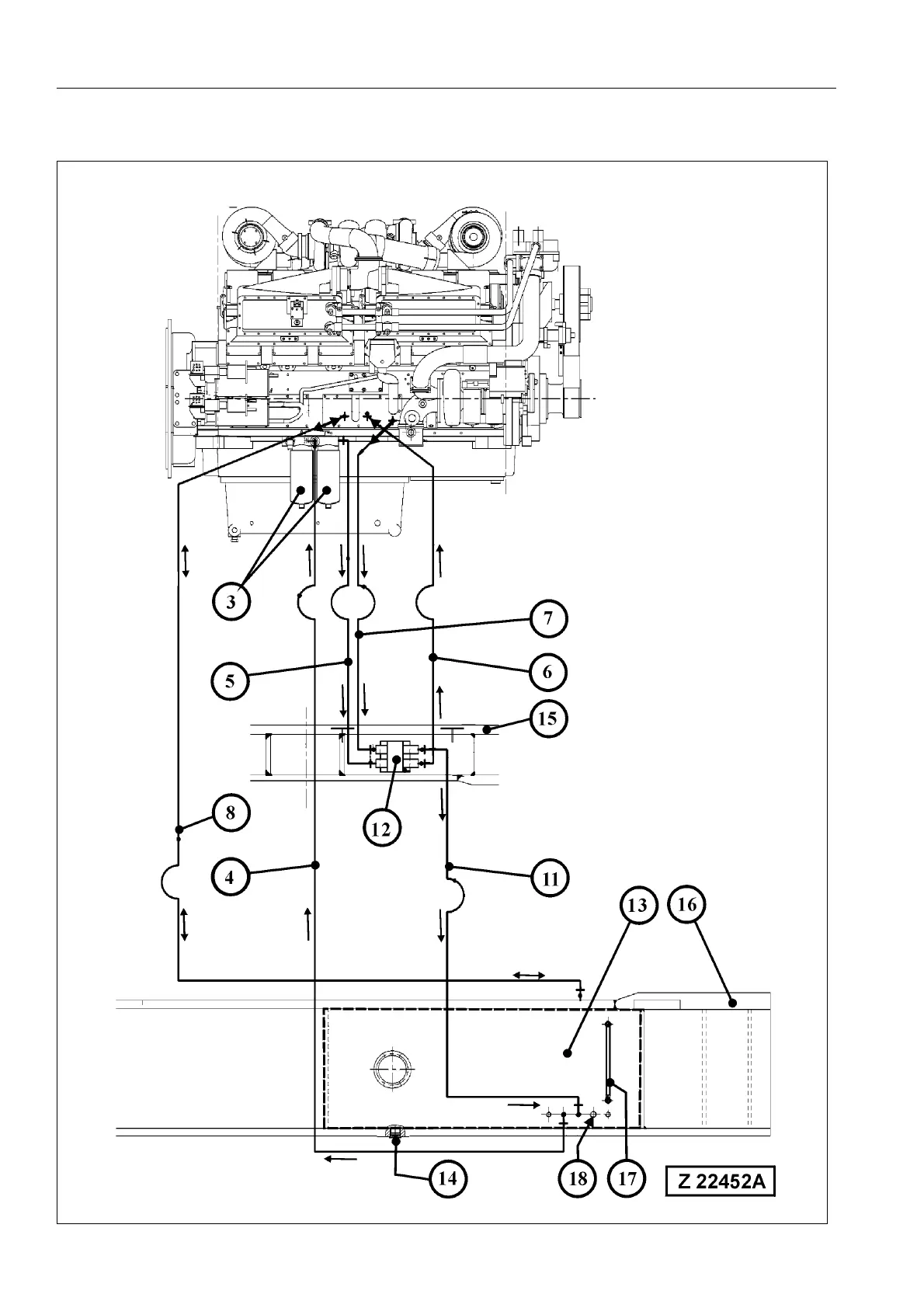
3.2.7 ENGINE OIL MANAGEMENT SYSTEM

Table of Contents