EasyManua.ls Logo

Komatsu 830E-AC - Page 982

Komatsu 830E-AC
1085 pages
Print Icon
To Next Page IconTo Next Page
To Next Page IconTo Next Page
To Previous Page IconTo Previous Page
To Previous Page IconTo Previous Page
Loading...
N5-10 Operator Controls 10/06 N05070
CENTER CONSOLE
Directional Control Lever
Directional Control Lever (2, Figure 5-4) is mounted
on a console to the right of the operator's seat. It is a
four position switch that controls the park, forward,
neutral, and reverse motion of the truck. When the
directional control lever is in the center N position, it
is in NEUTRAL. When the directional control lever is
in the P position, it is in PARK, and the parking brake
will also be applied. The parking brake is spring
applied and hydraulically released. It is designed to
hold a stationary truck when the engine is off and the
key switch is turned OFF. The truck must be com-
pletely stopped before moving the directional control
lever to PARK, or damage may occur to parking
brake. When the key switch is ON, and the direc-
tional control lever is in PARK, the parking brake indi-
cator light (A3, overhead panel, Figure 5-8) will be
illuminated.
The directional control lever handle must be in
PARK to start the engine.
NOTE: Do not move the directional control lever to
the PARK position at the shovel or dump. With key
switch ON and engine on. Sudden shock caused by
loading or dumping could cause the system's motion
sensor to release the park brake.
The operator can select FORWARD drive by moving
the handle to the F position.
The operator can select REVERSE drive by moving
the handle to the R position.
NOTE: The truck must be stopped before the
selector handle is moved to a drive position.
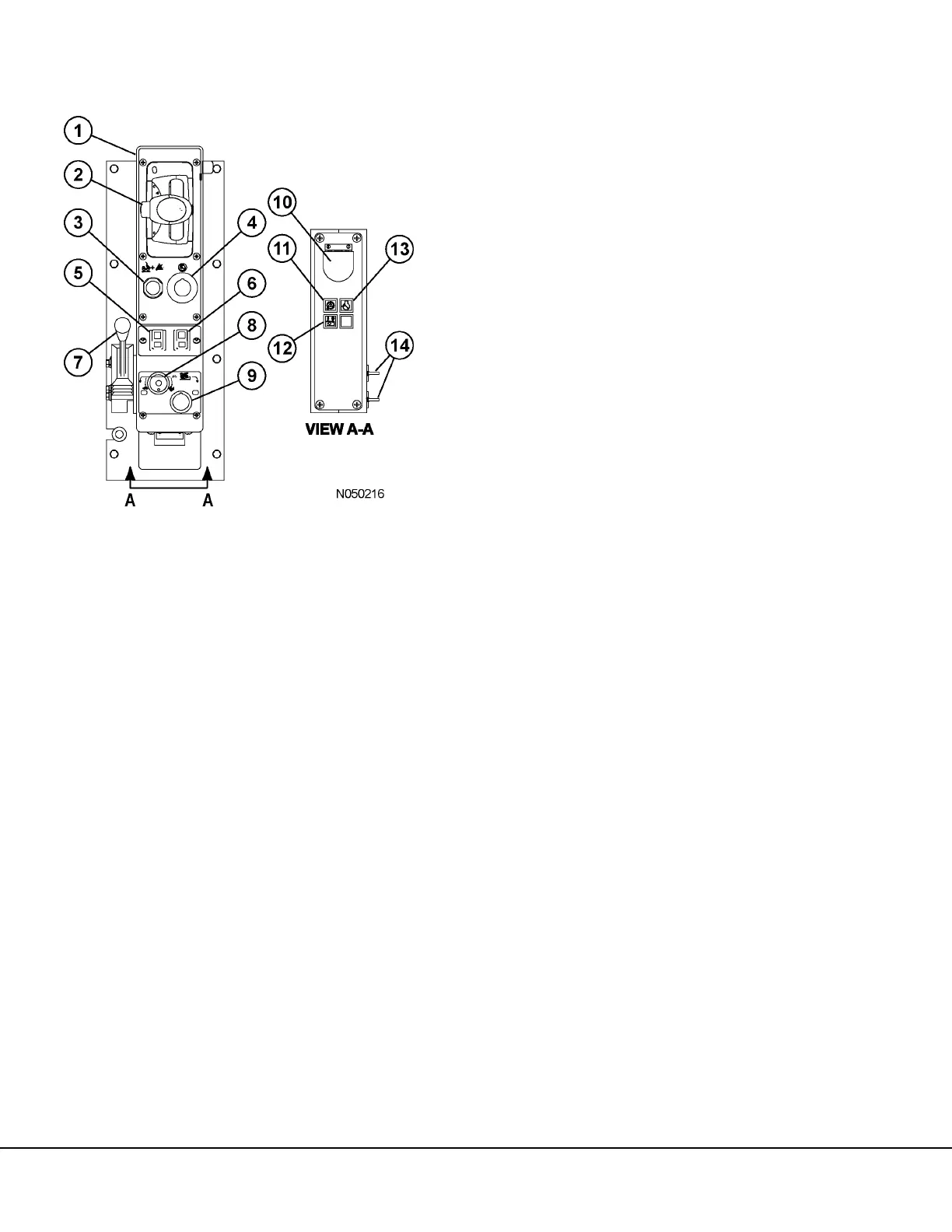
FIGURE 5-4. CENTER CONSOLE
1. Center Console
2. Directional Control Lever
3. Override/Fault Reset Switch
4. Engine Stop Switch
5. L.H. Window Control Switch
6. R.H. Window Control Switch
7. Hoist Control Lever
8. Retarder Speed Control Dial
9. RSC Switch
10. Data Store Button
11. VHMS Snapshot In Progress Light
12. Link Energized Light (Red)
13. Service Engine Light (Blue)
14. 12V Auxiliary Power Outlets

Table of Contents