EasyManua.ls Logo

Komatsu D39PX-21 - Every 250 Hours Service; Lubricating

Komatsu D39PX-21
256 pages
Print Icon
To Next Page IconTo Next Page
To Next Page IconTo Next Page
To Previous Page IconTo Previous Page
To Previous Page IconTo Previous Page
Loading...
SERVICE PROCEDURE MAINTENANCE
4-38
EVERY 250 HOURS SERVICE 4
Maintenance for every 50 hours service should be carried out at the same time.
LUBRICATING 4
NOTICE
If dirt or sand is found sticking due to work in the soft ground, carry out greasing every 10 hours of opera-
tion.
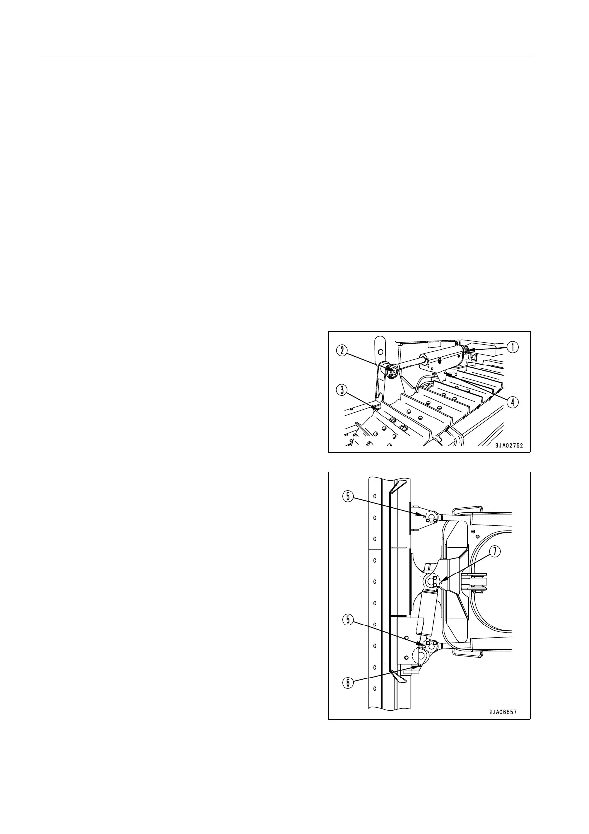
1. Lower the blde to the ground, then stop the engine.
2. Using a grease pump, pump in grease through the grease fittings shown by arrows.
3. After greasing, wipe off any old grease that was pushed out.
q D31EX,PX , D37EX,PX
(1) Lift cylinder bottom pin (2 places)
(2) Lift cylinder head pin (2 places)
(3) Angle cylinder bottom pin (2 places)
(4) Frame mounting pin (2 places)
(5) Angle cylinder head pin (2 places)
(6) Tilt cylinder head pin (1 place)
(7) Tilt cylinder bottom pin (1 place)

Table of Contents

Related product manuals