EasyManua.ls Logo

Kool-It IB54F - Page 12

Kool-It IB54F
21 pages
Print Icon
To Next Page IconTo Next Page
To Next Page IconTo Next Page
To Previous Page IconTo Previous Page
To Previous Page IconTo Previous Page
Loading...
Service and Installation Manual
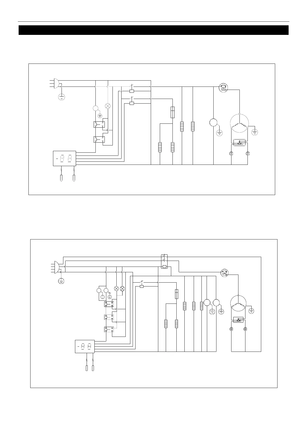
ELECTRICAL DIAGRAM
12
MODELKB54F
MODELKB81FDV
N
L
PLUG
OVERLOAD
PROTECTOR
CONTACTOR
LAMP
M
CONTACTOR
THERMAL
CUT-OFF
CONDENSEN
FAN
M
COMPRESSOR
THERMOSTAT DISPLAY
CURRENT
RELAY
ROOM
EVAP
STARTING RUN
CAPACITOR CAPACITOR
SENSOR
CONTACTOR
w
X
POWER
PLUG
Y
OVERLOAD
PROTECTOR
EVAP
M M
FAN
THERMAL
CUT-OFF
CONTACTOR
CONDENSER
FAN
COMPRESSOR
LAMP
M M
CURRENT
RELAY
THERMOSTAT DISPLAY
STARTING
CAPACIOR
RUN
CAPACIOR
ROOM
EVAP
SENSOR
EVAP
FAN
PIPE
HEATER
PIPE HEATER
DEFROST
HEATER
DEFROST HEATER
DOOR FRAME HEATER
MIDDLE FRAME
HEATER MIDDLE
FRAME HEATER
DOOR
FRAME
HEATER
MIDDL
E
FRAME
HEATE
R

Related product manuals