EasyManua.ls Logo

Kool-It KB54RG - Page 17

Kool-It KB54RG
21 pages
Print Icon
To Next Page IconTo Next Page
To Next Page IconTo Next Page
To Previous Page IconTo Previous Page
To Previous Page IconTo Previous Page
Loading...
17
Service and Installation Manual
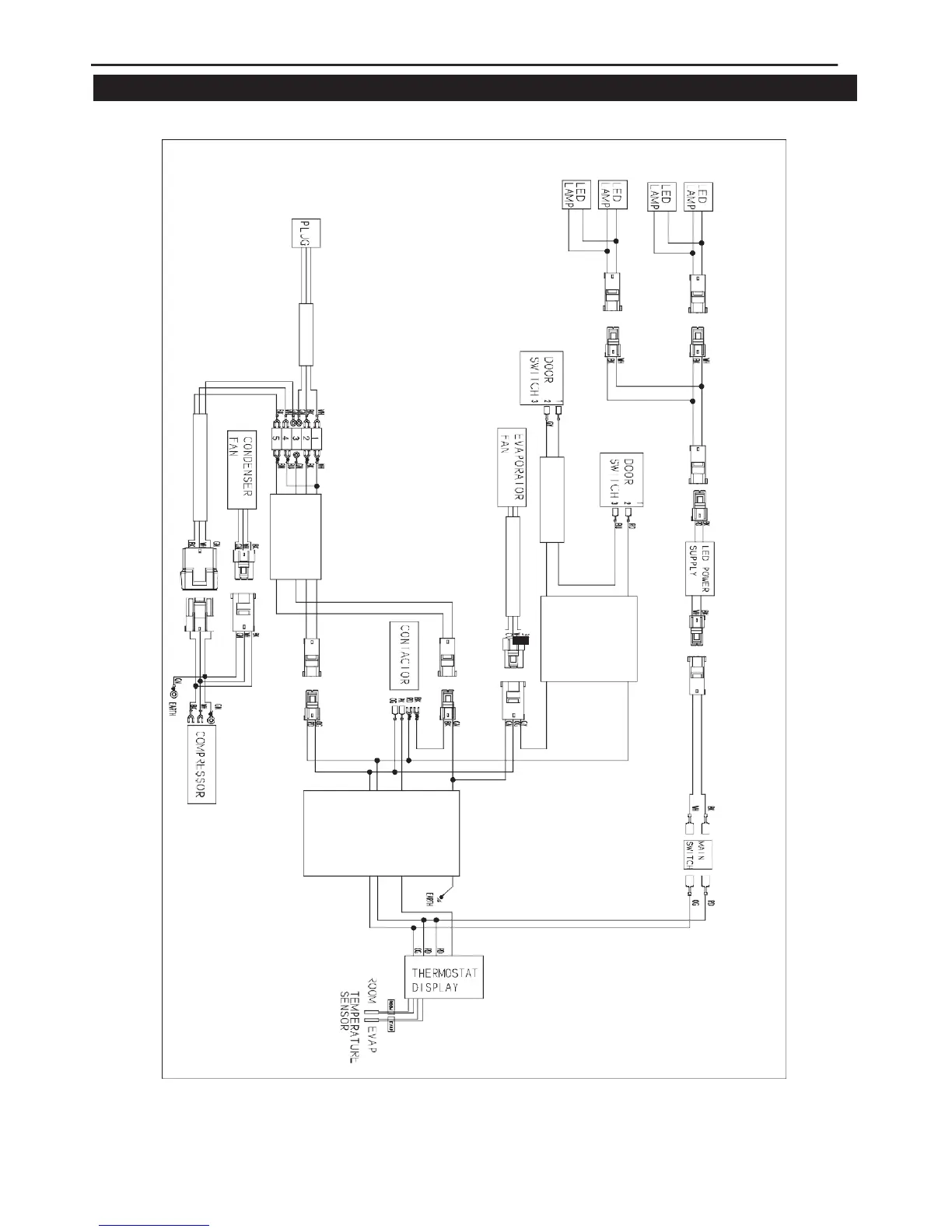
WIRING DIAGRAM
MODEL: KB54RG

Related product manuals