EasyManua.ls Logo

koppel KV 60FM-ARF21 - Additional refrigerant charge

Default Icon
144 pages
Print Icon
To Next Page IconTo Next Page
To Next Page IconTo Next Page
To Previous Page IconTo Previous Page
To Previous Page IconTo Previous Page
Loading...
Drainage pipe installation
6.3 Drainage test
6.3.1 Water leakage test
After finishing the construction of drainage pipe system, fill the pipe with water and keep it for 24 hours to
check whether there is leakage at joint section.
6.3.2 Water discharge test
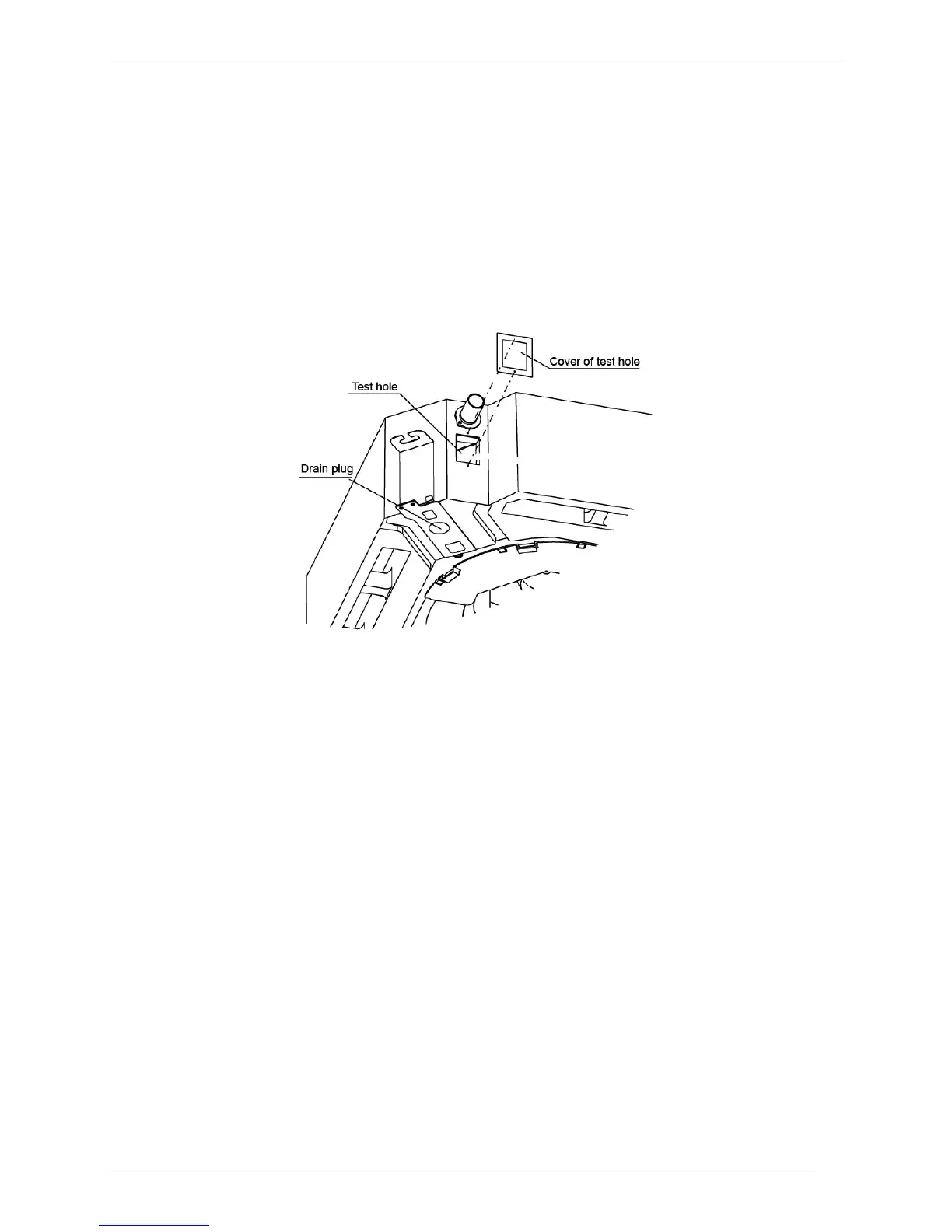
1. Natural drainage mode(the indoor unit with outdoor drainage pump)
Infuse above 600ml water through water test hole slowly into the water collector, observe whether the
water can discharge through the transparent hard pipe at drainage outlet.
2. Pump drainage mode
2.1 Disconnect the plug of water level switch, remove the cover of water test hole and slowly infuse about
2000ml water through the water test hole, be sure that the water will not touch the motor of drainage
pump.
2.2 Power on and let the air conditioner operate for cooling. Check operation status of drainage pump, and
then connect the plug of water level switch, check the operation sound of water pump and observe
whether the water can discharge through the transparent hard pipe at drainage outlet. (In light of the
length of drainage pipe, water shall be discharged about 1 minute delay)
2.3 Stop the operation of air conditioner, power off the power supply and put the cover of water test hole
back to the original place.
a. After stopping the air conditioner for 3 minutes, check whether there is anything abnormal. If drainage pipes
have not been distributed properly, over back-flow water shall cause the flashing of alarm indicator at
remote-controlled receiving board and even water shall run over the water collector.
b. Continuously infusing water until water level alarmed, check whether the drainage pump could
discharge water at once. If water level does not decline under warning water level 3 minutes later, it
shall cause shutdown of unit. When this situation happens, the normal startup only can be recovered by
turning down power supply and eliminating accumulated water.
Note: Drain plug at the main water-containing plate is used for eliminating accumulated water in
water-containing plate when maintaining air conditioner fault. During normal operation, the plug should be
inserted to prevent leakage.
6.4 Insulation work of drainage pipe
Refer the introduction to the insulation engineering parts.
97

Table of Contents

Related product manuals