EasyManua.ls Logo

Kroll TE40 - Technical Data; Component Specifications; Performance and Operational Data

Default Icon
Print Icon
To Next Page IconTo Next Page
To Next Page IconTo Next Page
To Previous Page IconTo Previous Page
To Previous Page IconTo Previous Page
Loading...
17
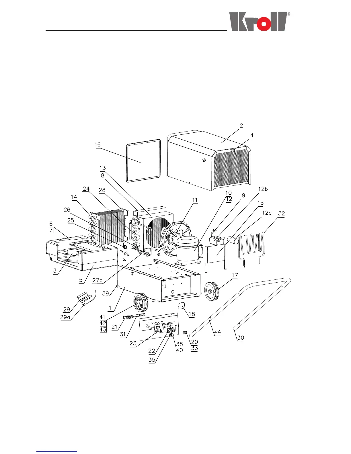
Einzelteile/Spare parts/Nomenclature
4 Einzelteile/Spare parts/Nomenclature
T40, TE40

Related product manuals