EasyManua.ls Logo

Kroll TE40 - Page 22

Default Icon
Print Icon
To Next Page IconTo Next Page
To Next Page IconTo Next Page
To Previous Page IconTo Previous Page
To Previous Page IconTo Previous Page
Loading...
TE40
20
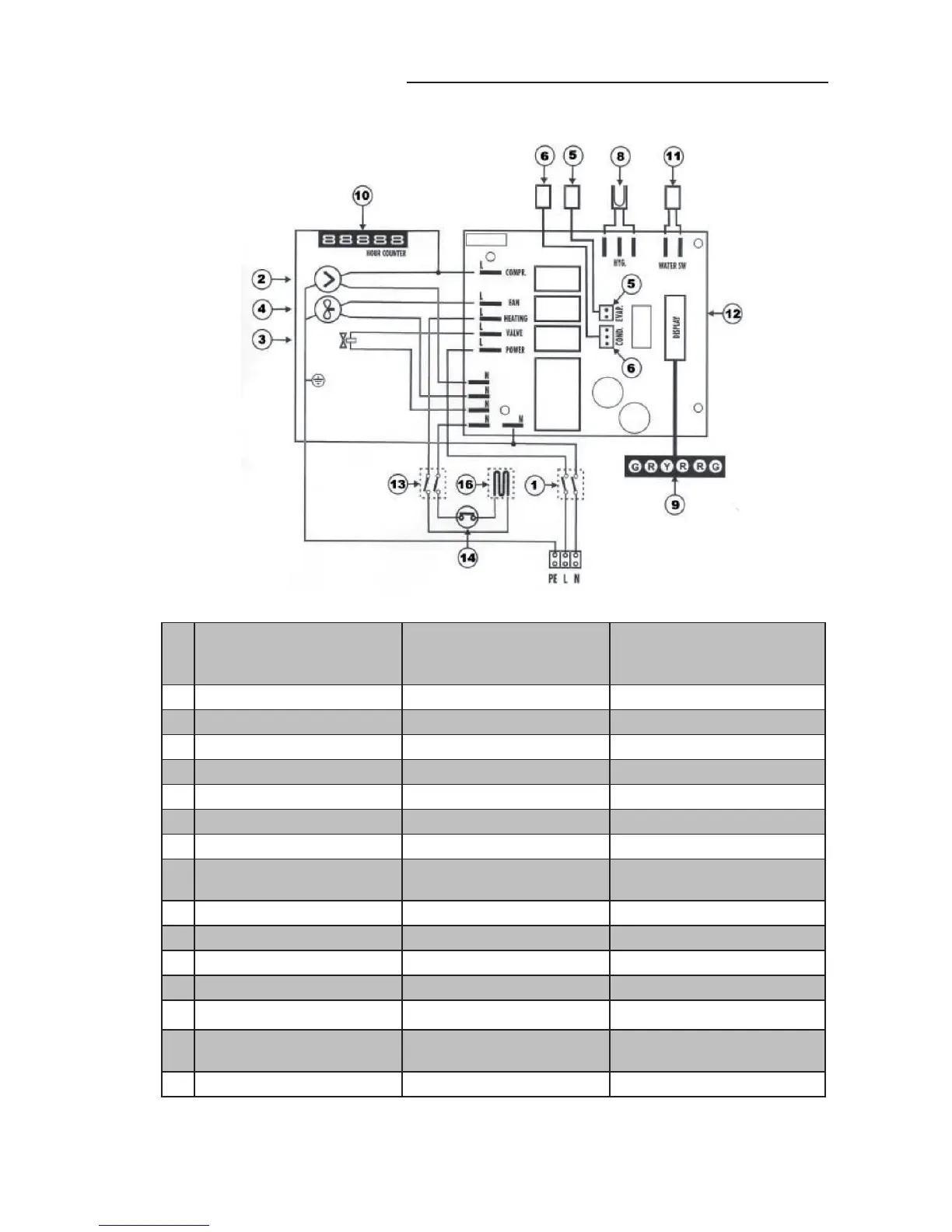
Schaltplan/Circuit diagram/Schéma électrique
T40/TE40
20
6 Schaltplan/Circuit diagram/Schéma électrique
PE
L
N
Netzanschluss Mains connection Alimentation électrique
1 Hauptschalter Main switch Interrupteur principal
2 Verdichter Compressor Compresseur
3 Magnetventil Solenoid valve Electrovanne
4 Lüfter Fan Ventilateur
5 Fühler - Verdampfer Sensor - evaporator Détecteur d‘evaporateur
6 Fühler-Verüssiger Sensor - condenser Détecteur de condenseur
7 Umgebungsfühler Sensor - temperature Détecteur de témperature
8
CINCH - Stecker für Hygro-
stat
CINCH - connector for hyg-
rostat
CHINCH - connecteur pour
l‘hygrostat
9 Leuchtdioden Indicators Lampes témoins
10 Betriebsstundenzähler Working hours meter Compteur d‘heure de marche
11 Schwimmerschalter Sensorofoaterposition Palpeurdepositionduotteur
12 Hauptleiterplatte PC - board Carte de commande
13 Heizungsschalter (TE) Switch for heating (TE) Interrupteur de chauffage (TE)
14
Schutzthermostat der
Heizung (TE)
Protective thermostat of
heating
Thermostat de protection du
chauffage (TE)
16 Heizspirale Heating element Corps de chauffage (TE)

Related product manuals