EasyManua.ls Logo

KTE KT-PPC-A - Auto Changeover by BUS no Voltage

Default Icon
25 pages
Print Icon
To Next Page IconTo Next Page
To Next Page IconTo Next Page
To Previous Page IconTo Previous Page
To Previous Page IconTo Previous Page
Loading...
Instruction Manual of
Programmable Power Controller (KT-PPC)
REV
1.6E
PAGE : 10 OF 25
Doc No: TIR9402-30-D01
210*297(mm) KTE CO., LTD TI-06(R0)
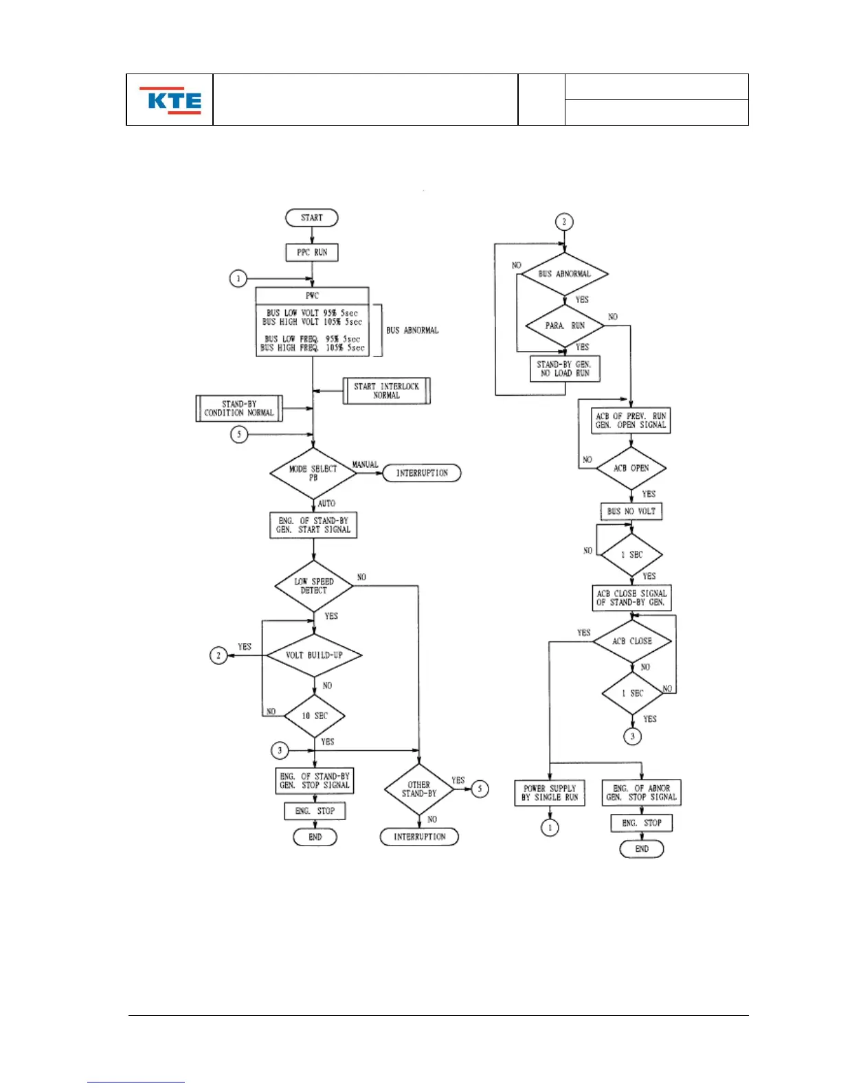
3.3. Auto Changeover by BUS No Voltage

Related product manuals