EasyManua.ls Logo

Kubota V3300-E - Page 46

Kubota V3300-E
46 pages
Print Icon
To Previous Page IconTo Previous Page
To Previous Page IconTo Previous Page
Loading...
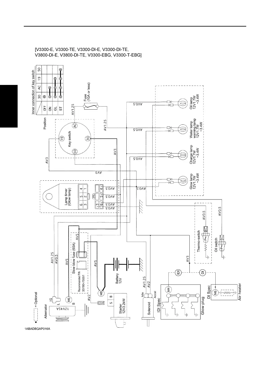
36 WIRING DIAGRAMS
ENGLISH

Related product manuals