EasyManua.ls Logo

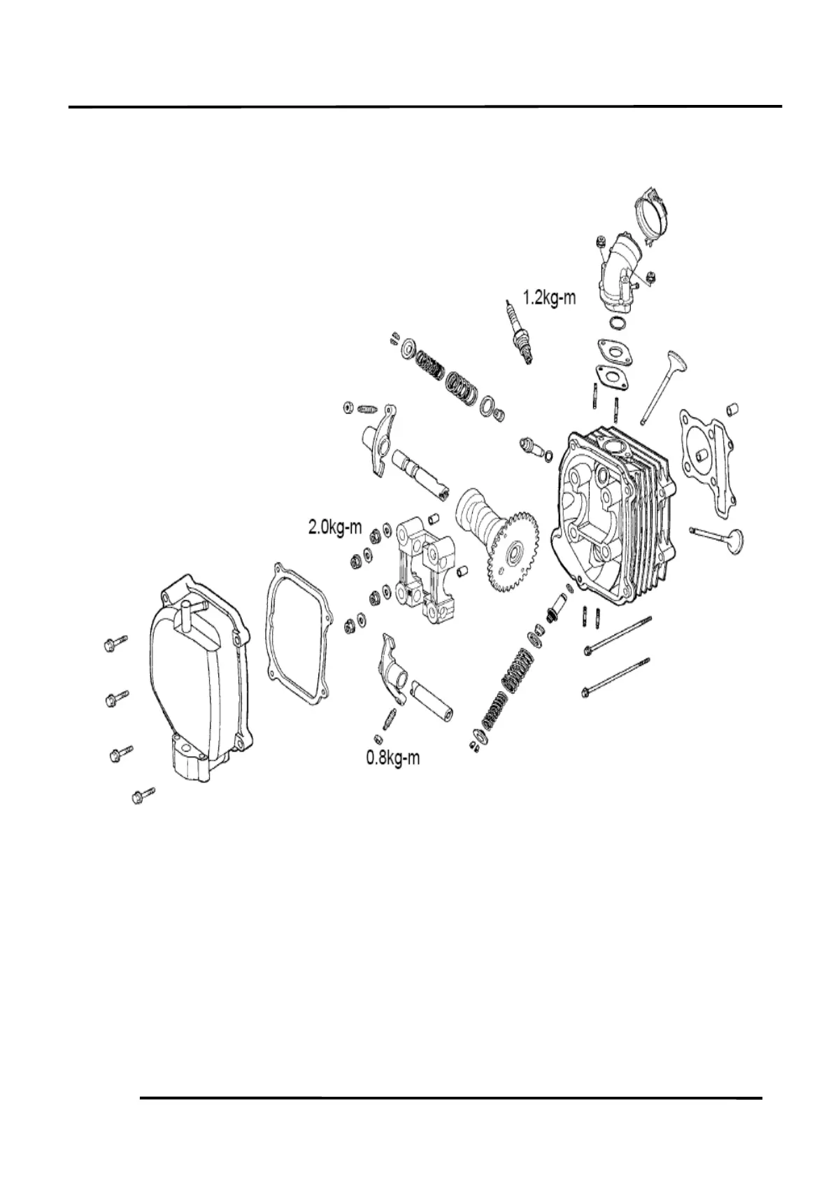
KYMCO Like 50 - Cylinder Head;Cylinder;Piston - Exploded Diagram

KYMCO Like 50
157 pages
Print Icon
To Next Page IconTo Next Page
To Next Page IconTo Next Page
To Previous Page IconTo Previous Page
To Previous Page IconTo Previous Page
Loading...
&</,1'(5
&</,1'(5
&</,1'(5
&</,1'(5
+($'&</,1'(53,6721
+($'&</,1'(53,6721
+($'&</,1'(53,6721
+($'&</,1'(53,6721
/,.(
/,.(
/,.(
/,.(




Table of Contents