EasyManua.ls Logo

laguna 100K - Wiring Diagrams and Remote Hook-up; Laguna 100 K Electronic Direct Spark Ignition Wiring Diagram; Laguna 100 K Millivolt Wiring Diagram; Remote Wiring Hook-up

laguna 100K
24 pages
Print Icon
To Next Page IconTo Next Page
To Next Page IconTo Next Page
To Previous Page IconTo Previous Page
To Previous Page IconTo Previous Page
Loading...
19
Rev. D 1-19-00 P/N 471243
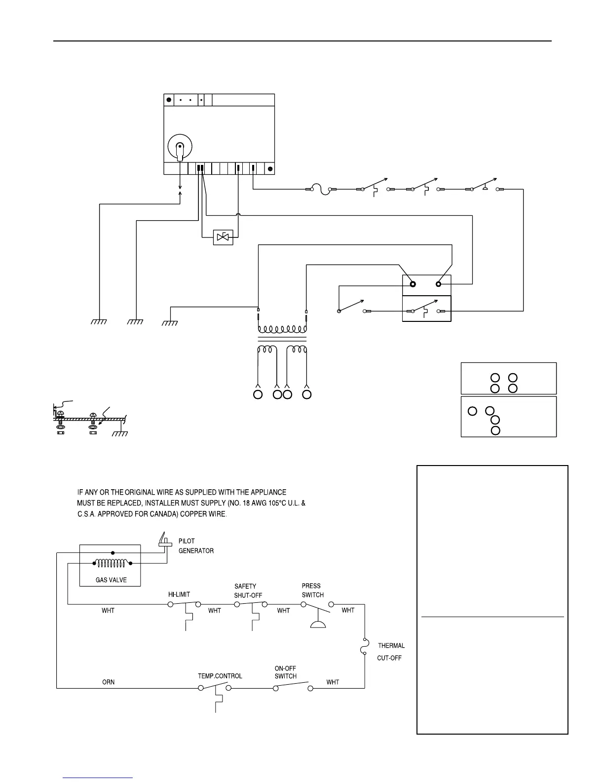
Installation (contd.)
Laguna 100K Electronic Direct Spark Ignition Wiring Diagram
THERMAL
FUSE
HI LIMIT SW.
PRESSURE SW.
WATER
THERMOSTAT
ON/OFF SW.
IGNITER
SPARK
MODULE
GAS VALVE
MiniMax 100 ELECTRONIC WIRING DIAGRAM
CODE OR SUPERCEDING LOCAL (WIRING) CODES.
INTERCONNECTING WIRING TO APPLIANCE MUST CONFORM TO THE NATIONAL ELECTRICAL
WIRE, 18 GAUGE, 600V, 150˚ C TEMPERATURE RATING..
THERMAL FUSE WIRING MUST BE REPLACED WITH UL OR CSA (IF CANADA) APPROVED
UL OR CSA (IF CANADA) APPROVED WIRE, 18 GAUGE, 600V, 150˚ C TEMPERATURE RATING.
IF ORIGINAL FACTORY WIRING MUST BE REPLACED, INSTALLER MUST SUPPLY
TERMINATE SUPPLY SAFETY GROUND WIRE (GREEN) HERE
GROUND SCREW WITH PAINT CUTTING WASHER
EXTERNAL
BOND LUG
CHASSIS
SHEET METAL
V1
TH
V2/GRD
NH
GRN
WHT BLUE
WHT
ORN
ORN
GRN
WHT WHT WHT
WHT
WHT
WHT
ELECTRONIC
12
3
4
TRANSFORMER WIRING :
115V CONN
LINE : 1 & 2 (TIED)
LINE : 3 & 4 (TIED)
230V CONN
2 & 3 (TIED)
LINE : 1
LINE : 4
WHT/RED
WHT/BLK
BLK
RED
Laguna 100K Millivolt Wiring Diagram
Remote Wiring Hook-up
The Laguna 100K may be
connected to a two wire remote
control by disconnecting the wire
connector from the hot
(transformer) side terminal of the
"ON/OFF" switch and connecting
the two wire remote across the end
of this wire and the aforementioned
terminal.
NOTE
When connecting a remote control
to the Laguna 100K you must
install the low voltage remote
control wires in a separate conduit
from ANY line voltage wires. Do not
exceed 25 ft. wire run for remotes
on millivolt models.