EasyManua.ls Logo

Laing DDC Series - Installation Position

Laing DDC Series
Print Icon
To Next Page IconTo Next Page
To Next Page IconTo Next Page
To Previous Page IconTo Previous Page
To Previous Page IconTo Previous Page
Loading...
11
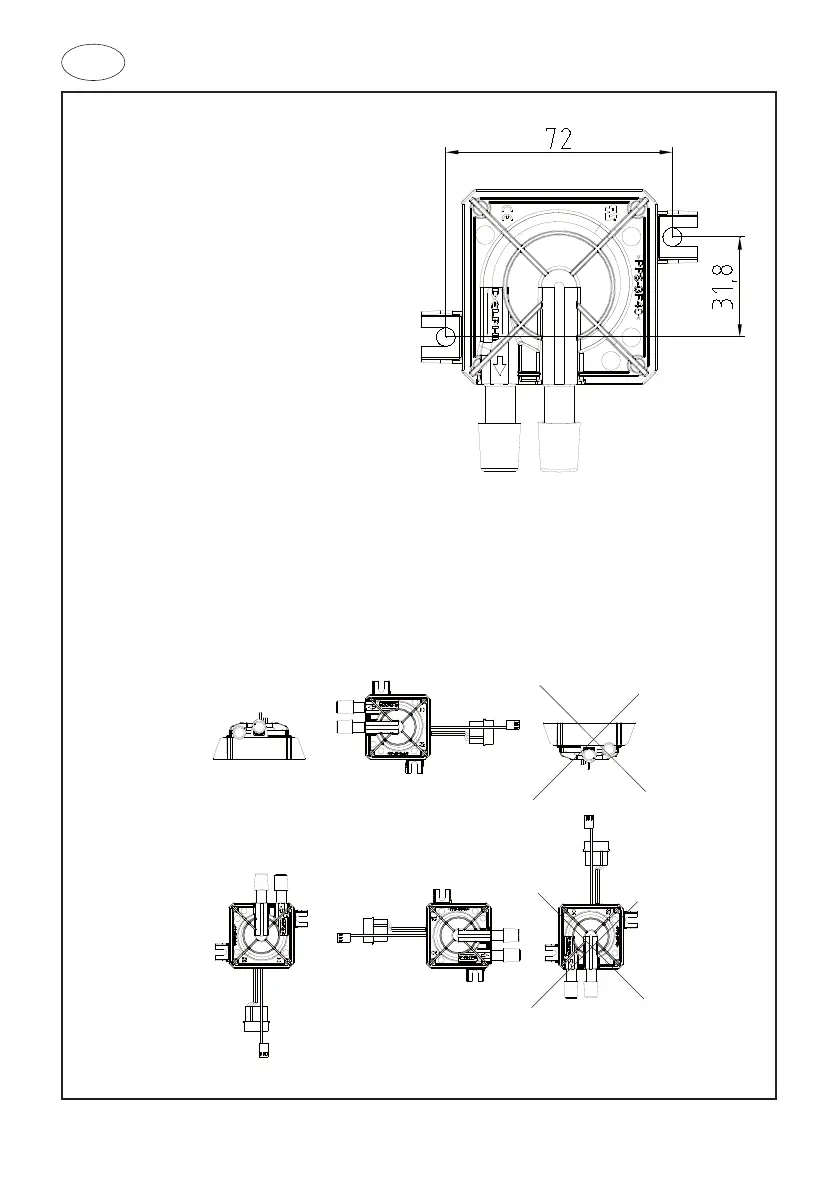
- The pump must be mounted
below the level of an open
expansion tank.
- Ideally the pump should be
placed at the lowest
point of the system.
- The pump is mounted on a
at surface. Avoid bending the
pump by over tightening of
the screws.
- The pump is not designed for
operation of multiple pumps in
series. Pump start-up with
forced ow through the pump
is not assured.
Installation position
The pump can be mounted either to a wall or on the bottom of the computer.
The pump must not be mounted with the motor pointing up and it must not
be installed pumping downwards.
Drilling dimensions for the mounting holes
GB
Installation and instruction manual Laing DDC pumps
www.laing.de/eng/

Related product manuals