EasyManua.ls Logo

lamber 050F - Second Section - For The Installer; Electrical Connection

lamber 050F
Print Icon
To Next Page IconTo Next Page
To Next Page IconTo Next Page
To Previous Page IconTo Previous Page
To Previous Page IconTo Previous Page
Loading...
Interruttore generale
Finecorsa
Resistenza boiler
Resistenza vasca
Lampada spia linea
Lampada temperatura
Lampada spia livello e ciclo
Contattore resistenza boiler
Contattore finecorsa
Pressostato
Termostato boiler
Termostato vasca
Termostato di sicurezza
Motorino timer
Timer
Pompa lavaggio
Elettrovalvola carico
Pulsante ciclo
Filtro antidisturbo
Dosatore di lavaggio
Interrupteur général
Microinterrupteur
Résistance Surchauffeur
Résistance Cuve
Lampe de ligne
Lampe témperature
Lampe de cycle
Contacteur rés. surchauffeur
Contacteur Microinterrupteur
Pressostat
Thermostat Surchauffeur
Thermostat Cuve
Thermostat de sureté
Moteur Timer
Timer
Pompe de lavage
Electrovanne chargement
Bouton cycle
Filtre ante-ennui
Doseur de produit lessiviel
IN
Fc
R1
R2
LS
LS2
LS4
MT1
MT4
CP
CT1
CT2
CT3
M
T1-T4
PM
EV1
PC
Ad
Dos
IN
Fc
R1
R2
LS
LS2
LS4
MT1
MT4
CP
CT1
CT2
CT3
M
T1-T4
PM
EV1
PC
Ad
Dos
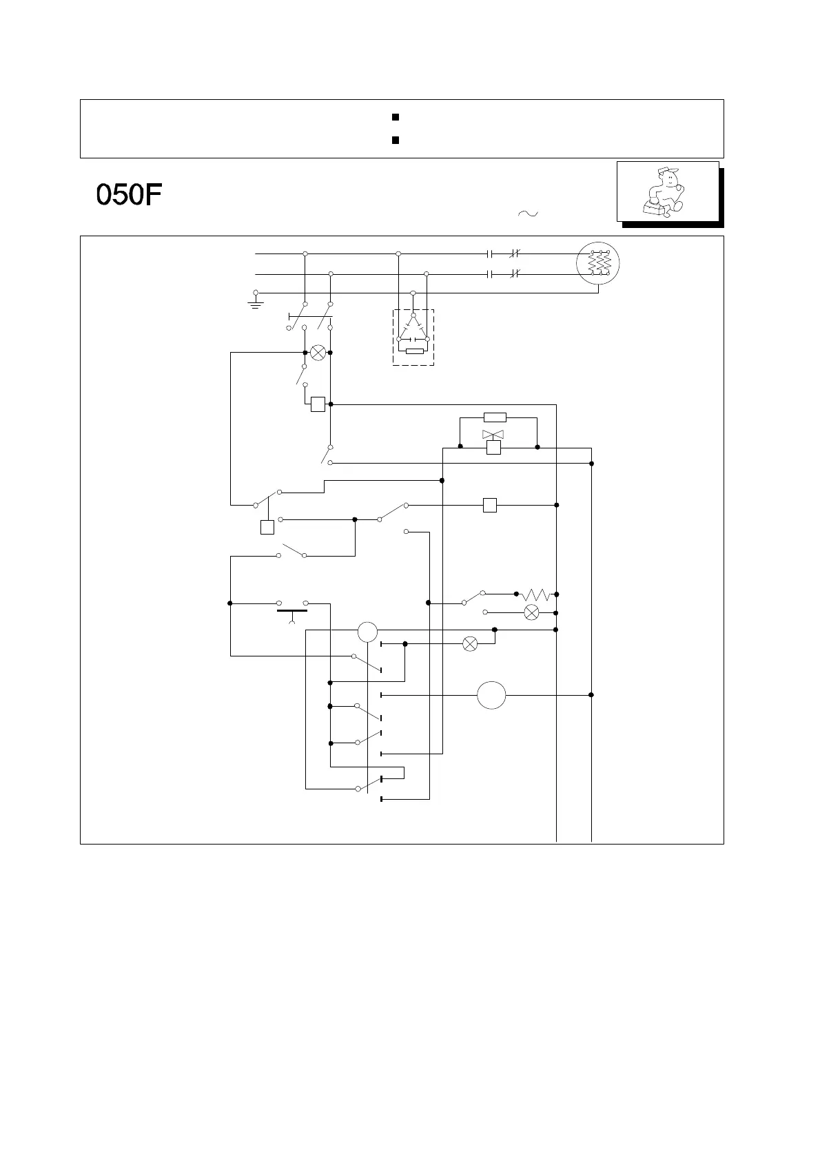
SCHEMA ELETTRICO
SCHALTSCHEMA
SCHEMA ELECTRIQUE
WIRING DIAGRAM
Main switch
Limit switch
Boiler elements
Tank elements
Main switch lamp
temperature elements lamp
Cycle lamp
Boiler elements contactor
Security contactor
Limit switch contactor
Pressure switch
Boiler thermostat
Security thermostat
Timer motor
Timer
Electric pump
Loading solenoid valve
Cycle pushbutton
Suppressor
Detergent pump
Hauptschalter
Endschalter
Boilerheizung
Tankheizung
Netzkontrollampe
Temperaturekontrollampe
Zykluskontrollampe
Schütz für Boilerheizung
Schaltrelais Fc
Druckwächter
Boilerthermostat
Tankthermostat
Schützthermostat
Timermotor
Timer
Pumpe
Elektrisches Wassereinlaufventil
Hauptschalter
Entstörfilter
Waschspülmitteldosiergerät
LS
T
R
N
MT4
CT3
MT1
R1
MT4
Fc
MT4
P
M
CT2
EV1
LS4
LS2
IN
R2
T1
T2
T3
T4
PC
CT1
CP
1
2
3
4
5
15
7
8
9
10
17
6
12
14
13
050F-QS-R02-210605
PM
MT1
Ad
230 V 50Hz
DOS

Other manuals for lamber 050F

Related product manuals