EasyManua.ls Logo

lamber NSP1206 - Electronic Board Configuration; PC Board Layout and DIP Switch Settings

lamber NSP1206
Print Icon
To Next Page IconTo Next Page
To Next Page IconTo Next Page
To Previous Page IconTo Previous Page
To Previous Page IconTo Previous Page
Loading...
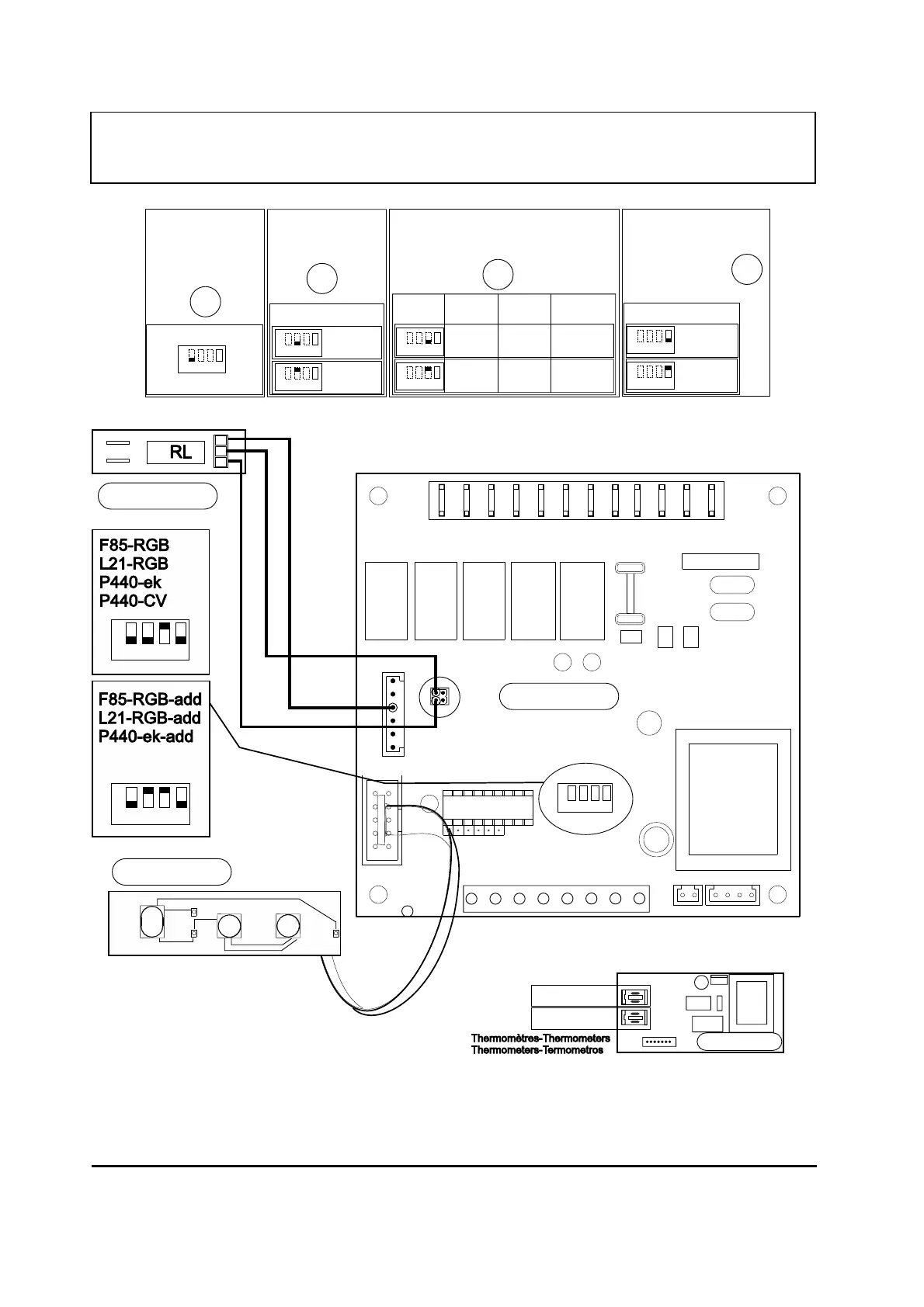
PC-BOARD
Cod.0500403
1
2
LED1=ON LED2=ON
LED1+2=ON
60”
120”
120”
180”
180”
240”
DIP
3
Standard
SRS
add
18”
23”
DIP
DIP
1
1
2
2
3
3
4
4
1
1
11
1
2
2
22
2
ON
ON
ON
ON
ON
ON
ON
3
3
33
3
4
4
44
4
4
Cod.0300836
Cod.0306016
1 234
ON
REL1 REL2 REL3 REL4 REL5
Cod.0306009
nero-noir.black
marrone-marron-brown
blue-bleu
-
- SELECTIETABEL
SPOELTIJDEN
- RINSE T IME
SELECTION TABLE
- TIEMPO
ACLARADO
TABLEAU SELECTION
TEMPS DE RINÇAGE
-
- SELECTIETABEL
- SELECTION TABLE
- TABLA SELECCIÓN
TABLEAU SELECTION -
- SELECTIETABEL WASTIJDEN
- WASH TIME SELECTION TABLE
TABLEAU SELECTION TEMPS DE LAVAGE
- TABLA SELECCIÓN TIEMPO LAVADO
P. C . B O A R DFICHE ELECTRONIQUE
P.C.BOARD TARJETA ELECTRONICA
.
.
la v age o- W ASSEN
washing-Lavado
rin ç age- SPOELEN
rinse-Aclarado
1
1
2
2
3
3
4
4
AVEC ADOUCISSEUR
WATERONTHARDER
W ITH WATE R -S O FTE N E R
CON DESCONCENTRADOR
ON
ON

Related product manuals