EasyManua.ls Logo

Lamborghini Caloreclima EM 6-E - Position des Electrodes

Lamborghini Caloreclima EM 6-E
Print Icon
To Next Page IconTo Next Page
To Next Page IconTo Next Page
To Previous Page IconTo Previous Page
To Previous Page IconTo Previous Page
Loading...
61
FR
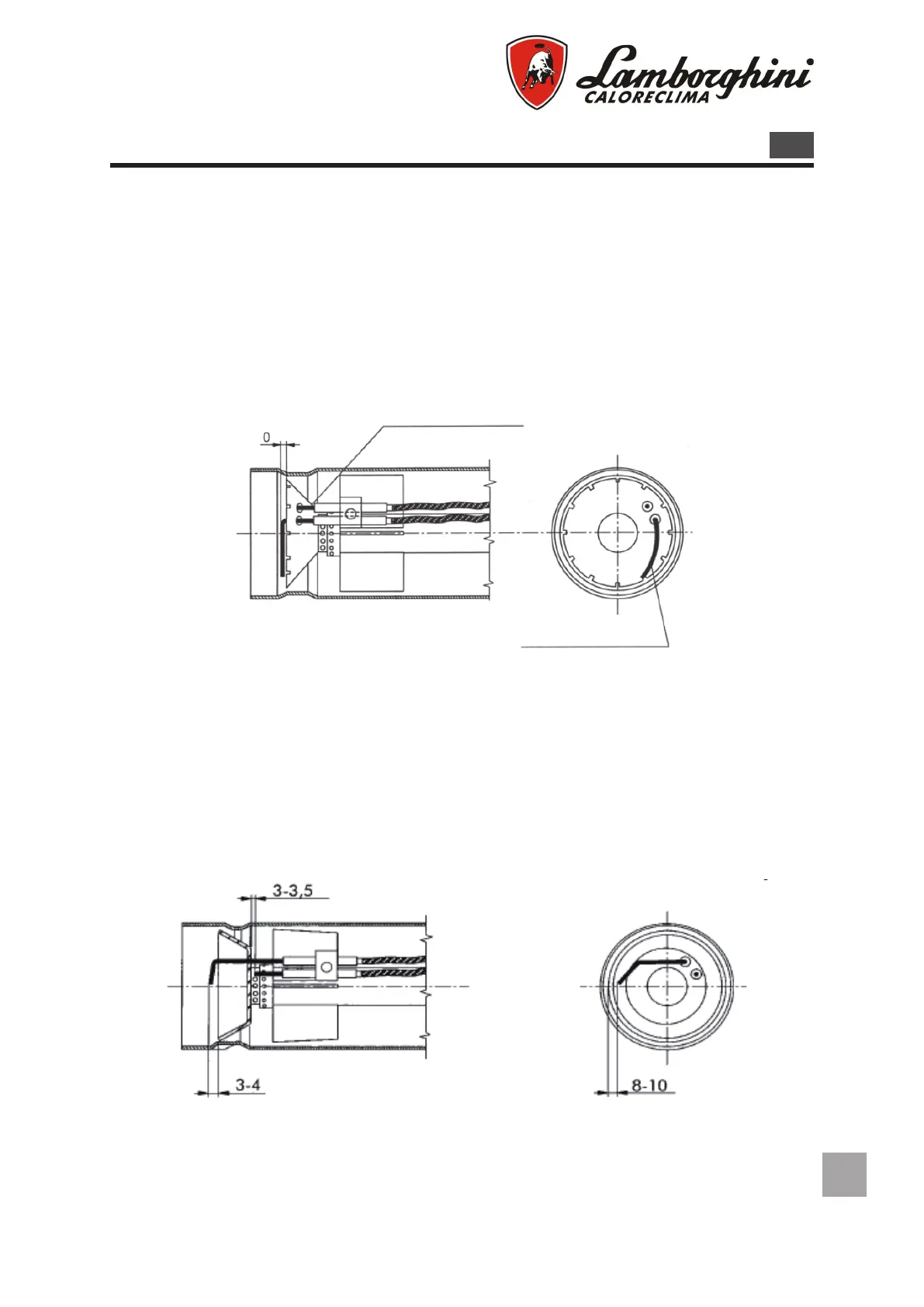
POSITION DES ELECTRODES
Il convient de vérier la bonne position des électrodes après toute intervention effec-
tuée sur la tête de combustion. Pour les positionner, respecter les indications de la
gure ci-dessous.
ATTENTION: les électrodes d’allumage et de contrôle ne doivent jamais toucher l’accro-
che-amme, l’embout ou d’autres pièces métallique, au risque de ne plus assurer leur
fonction, compromettant ainsi le fonctionnement du brûleur.
M
EM 3 -E EM 6 - E
EM 9 -E
Electrode d’allumage
Electrode de contrôle

Table of Contents

Related product manuals