EasyManua.ls Logo

Landoll 930E - Page 48

Default Icon
84 pages
Print Icon
To Next Page IconTo Next Page
To Next Page IconTo Next Page
To Previous Page IconTo Previous Page
To Previous Page IconTo Previous Page
Loading...
3-8 F-934-0418
MAINTENANCE AND LUBRICATION
TABLE OF CONTENTS
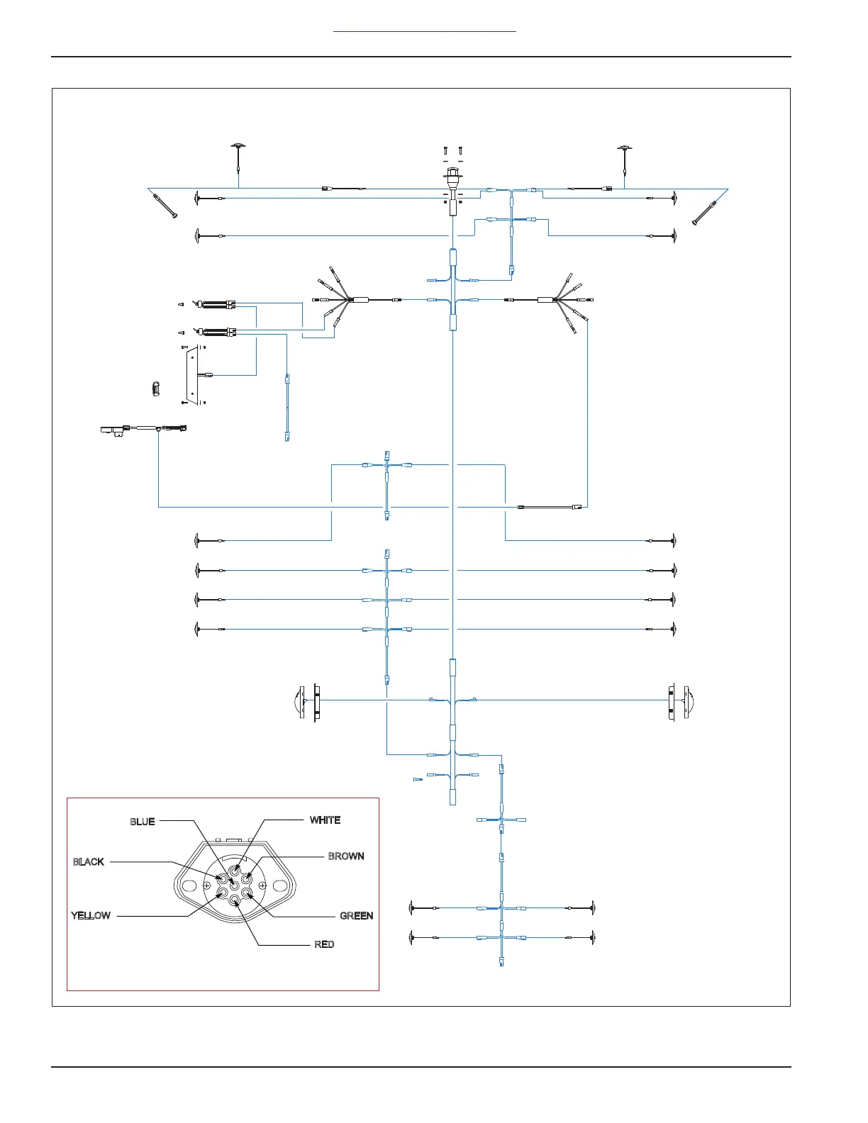
Figure 4-3: 900E Series Wiring Diagram
5 Branch Harness
Yellow LED Light
Marker
Lamp
Harness
Upr Deck
Marker
Harness
60”
Branch
Harness
Mid-Turn
Clean Lens
Light
Chrome
Oblong
Flange
Toggle Switch and Boot
Control Panel Light
Remote Assembly
Marker Harness Ext.
Marker
Harness
Ext.
Rear Frame Marker Harness
Mid-deck Harness
Front Main Harness
360”
Main Bed
Harness
300” Harness
Yellow LED Light
Yellow LED Light
Yellow LED Light
Yellow LED Light
White LED Light
7-PIN CONNECTOR
WIRE DIAGRAM
BLUE
B
AUX
CLEARANCE
LEFT TURN
L
ACK
W
GROUND
TAIL LTS
RIGHT TURN
STOP LTS
H
ITE
BROWN
GREEN
RED
YELLOW