EasyManua.ls Logo

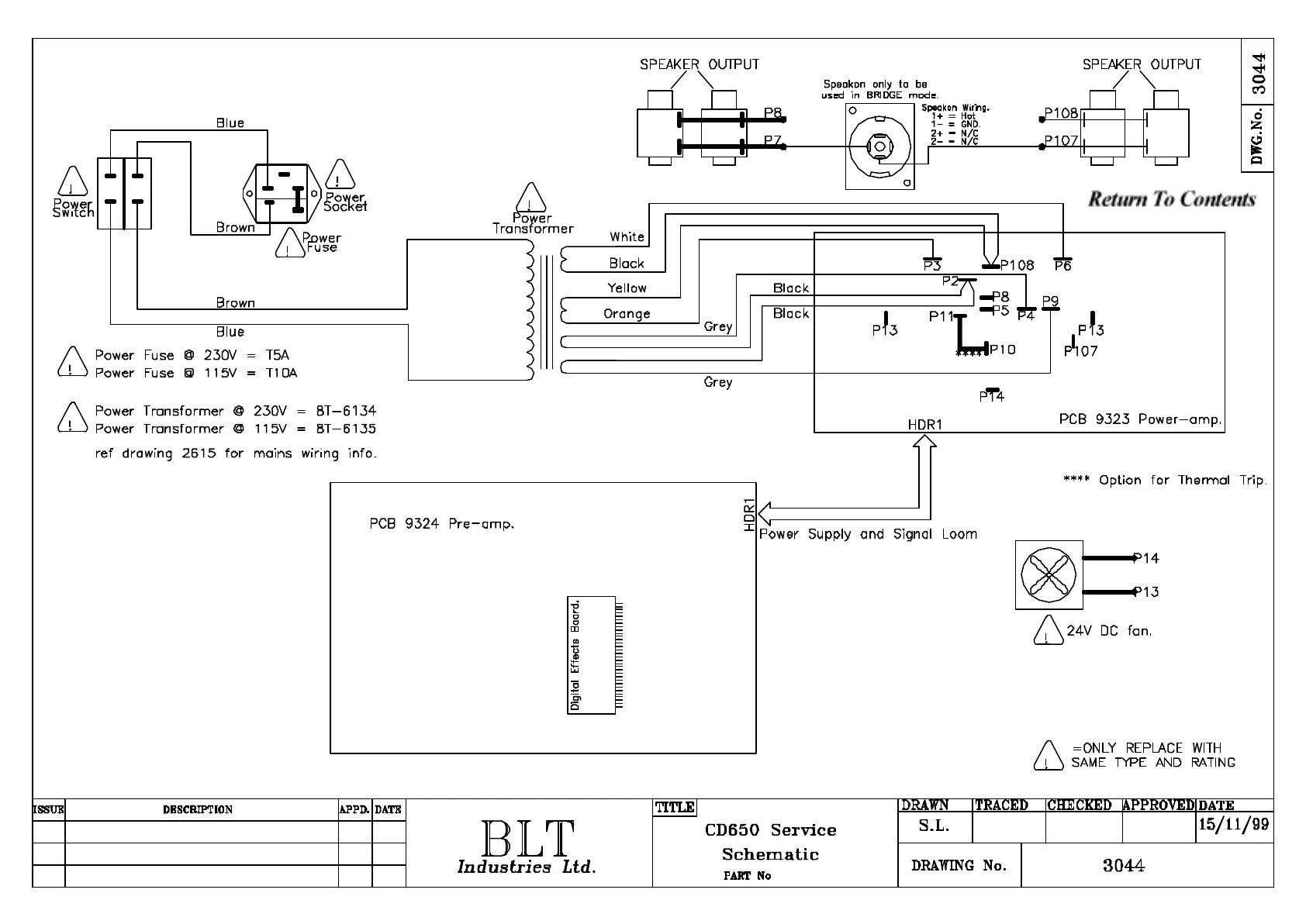
Laney CD650 - Service Schematic; Power Supply and Signal Loom; Pre-amp PCB 9324; Power-amp PCB 9323

Laney CD650
19 pages
Print Icon
To Next Page IconTo Next Page
To Next Page IconTo Next Page
To Previous Page IconTo Previous Page
To Previous Page IconTo Previous Page
Loading...

Related product manuals