EasyManua.ls Logo

Laney TH16:2 - Page 17

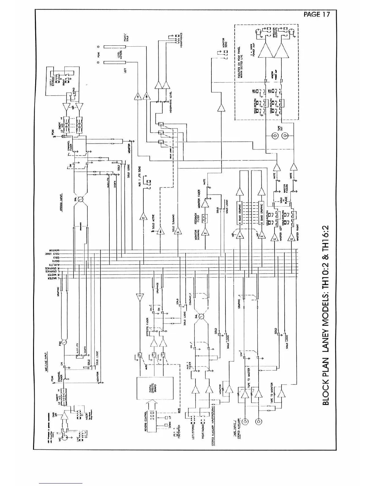
Laney TH16:2
24 pages
Print Icon
To Next Page IconTo Next Page
To Next Page IconTo Next Page
To Previous Page IconTo Previous Page
To Previous Page IconTo Previous Page
Loading...

Related product manuals