EasyManua.ls Logo

Leelbox GR2300iS - Page 125

Leelbox GR2300iS
210 pages
Print Icon
To Next Page IconTo Next Page
To Next Page IconTo Next Page
To Previous Page IconTo Previous Page
To Previous Page IconTo Previous Page
Loading...
38
120v con CO + USB + encendedor de cigarrillos
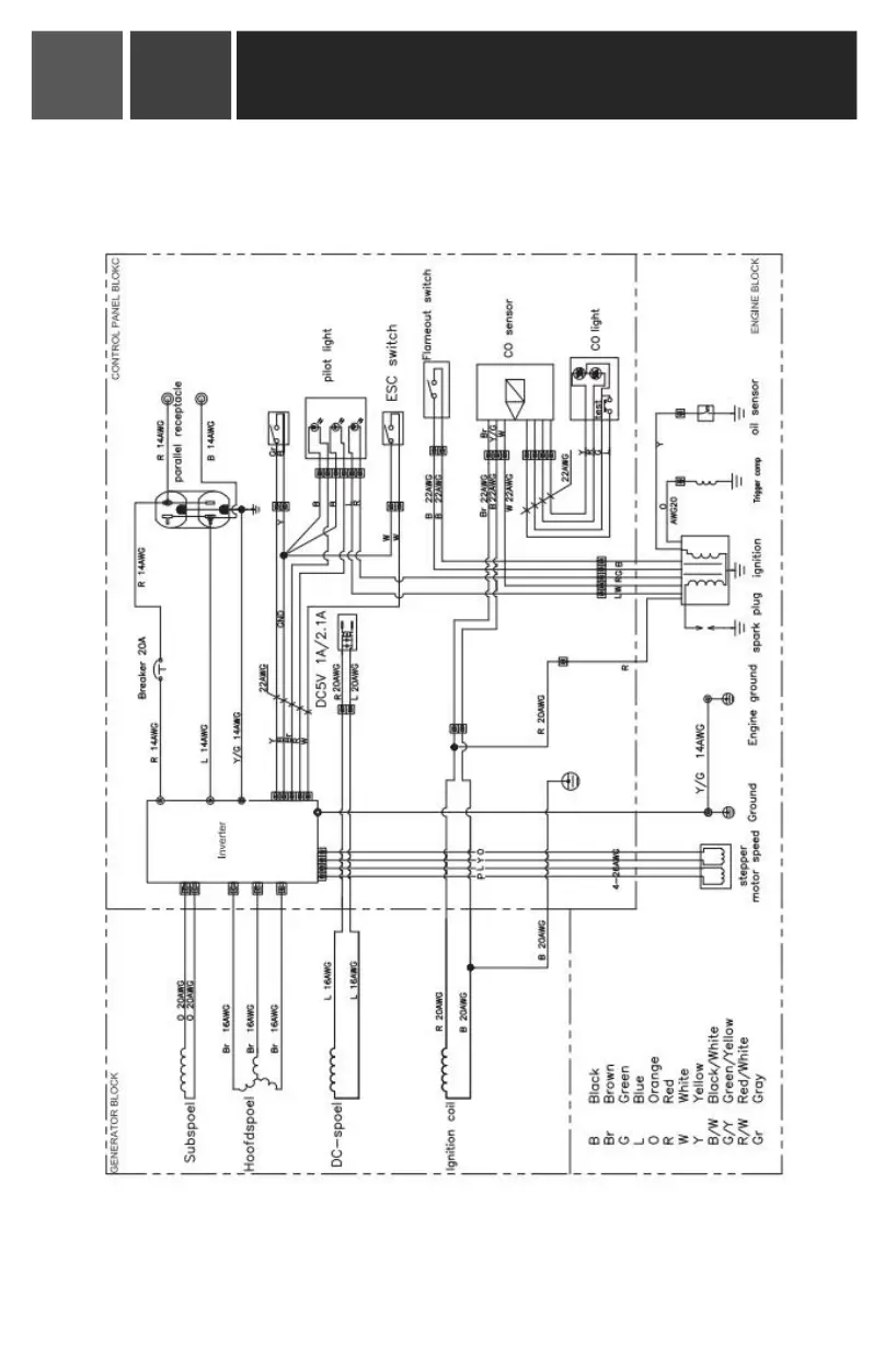
Electrical Schematic Diagram
Inverter Generator Owner's Manual
11
00