EasyManua.ls Logo

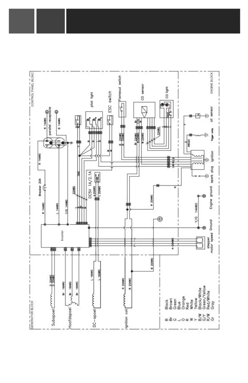
Leelbox GR2300iS - 120 V Configuration Diagram (CO+USB)

Leelbox GR2300iS
210 pages
Print Icon
To Next Page IconTo Next Page
To Next Page IconTo Next Page
To Previous Page IconTo Previous Page
To Previous Page IconTo Previous Page
Loading...
38
120v With CO+USB+Cigarette lighter
Electrical Schematic Diagram
Inverter Generator Owner's Manual
11
00