EasyManua.ls Logo

LENCO MDV-24 - System Connection Diagram; Overall System Wiring Guide

LENCO MDV-24
24 pages
Print Icon
To Next Page IconTo Next Page
To Next Page IconTo Next Page
To Previous Page IconTo Previous Page
To Previous Page IconTo Previous Page
Loading...
-8-
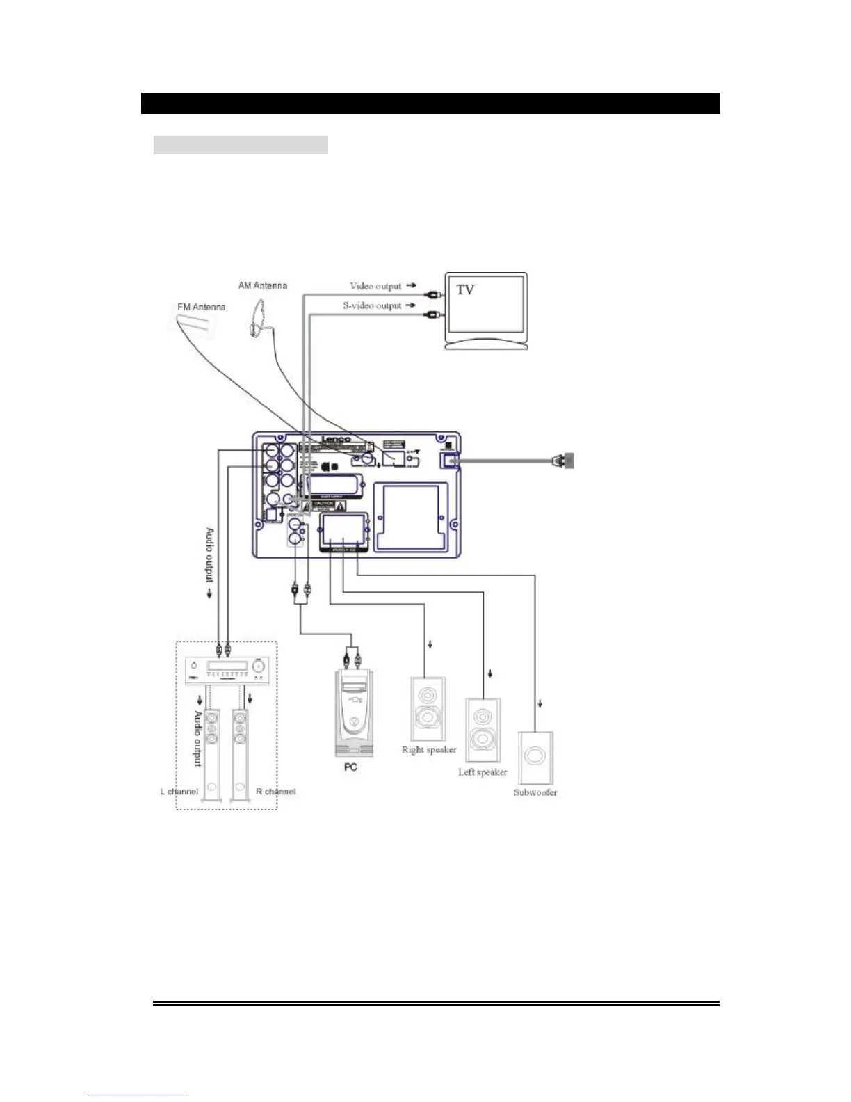
SYSTEM CONNECTION
Please refer to the following figure to connect your acoustic equipment.
To keep all the connection correctly and firmly.
Power supply can be connected finally.

Related product manuals