EasyManua.ls Logo

LENCO MDV-6 - CONNECTION WITH AMPLIFIER; Setup of Digital Audio Output

LENCO MDV-6
23 pages
Print Icon
To Next Page IconTo Next Page
To Next Page IconTo Next Page
To Previous Page IconTo Previous Page
To Previous Page IconTo Previous Page
Loading...
-8-
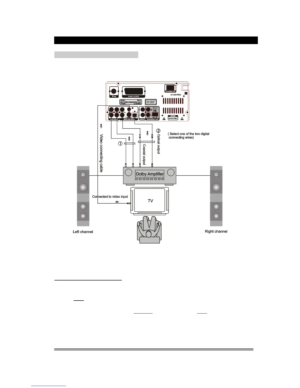
CONNECTION WITH AMPLIFIER
Setup of Digital Audio Output
Connect the optical or coaxial output jack to the amplifier. While in of play or stop mode,
press the setup
button on the remote control to open the system setup page, switch to
audio setup page by pressing the directional buttons, then move the cursor to Audio Out,
select SPDIF/RAW or SPDIF/PCM, press Play/Enter
button to finish. Press setup button
again to exit the setup.

Other manuals for LENCO MDV-6

Related product manuals