EasyManua.ls Logo

Lennox CBA27UHE-030

Lennox CBA27UHE-030
45 pages
To Next Page IconTo Next Page
To Next Page IconTo Next Page
To Previous Page IconTo Previous Page
To Previous Page IconTo Previous Page
Loading...
Page 37
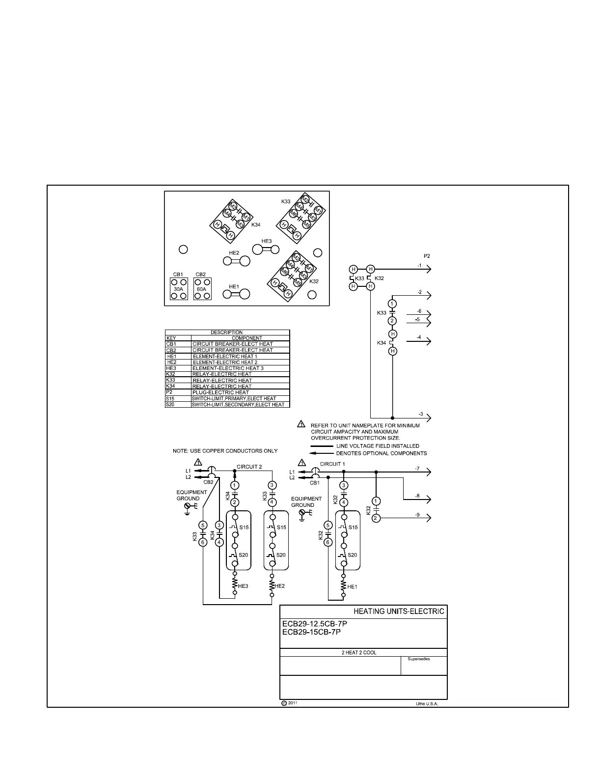
E-ECB29‐12.5CB, ‐15CB - 208/230V SINGLE PHASE - SEQUENCE OF OPERATION
FIRST STAGE HEAT
1- When there is a call for heat, W1 of the thermostat ener
gizes electric heat relays K32 and K33 with 24VAC.
2- When K32‐1 closes, the blower is energized on heat
ing speed.
3- When K32-2 and K32-3 close, assuming the N.C. pri
mary (S15) and secondary (S20) limit switches are
closed, electric heat element HE1 is energized.
SECOND STAGE HEAT
(remove jumper between W2 and R)
4- When K33‐1 closes, the unit is ready for a second stage
heat demand. When K33-2 and K33-3 close, assuming
the N.C. primary (S15) and secondary (S20) limit switches
are closed, electric heat element HE2 is energized.
5- W2 of the thermostat sends a second stage heat de
mand, energizing electric heat relay K34 with 24VAC.
6- When K34-1 and K34-2 close, assuming the N.C.
primary (S15) and secondary (S20) limit switches
are closed, heating element HE3 is energized.
Form
No.
537787-02

Other manuals for Lennox CBA27UHE-030

Related product manuals