EasyManua.ls Logo

Lennox CBA27UHE-030

Lennox CBA27UHE-030
45 pages
To Next Page IconTo Next Page
To Next Page IconTo Next Page
To Previous Page IconTo Previous Page
To Previous Page IconTo Previous Page
Loading...
Page 39
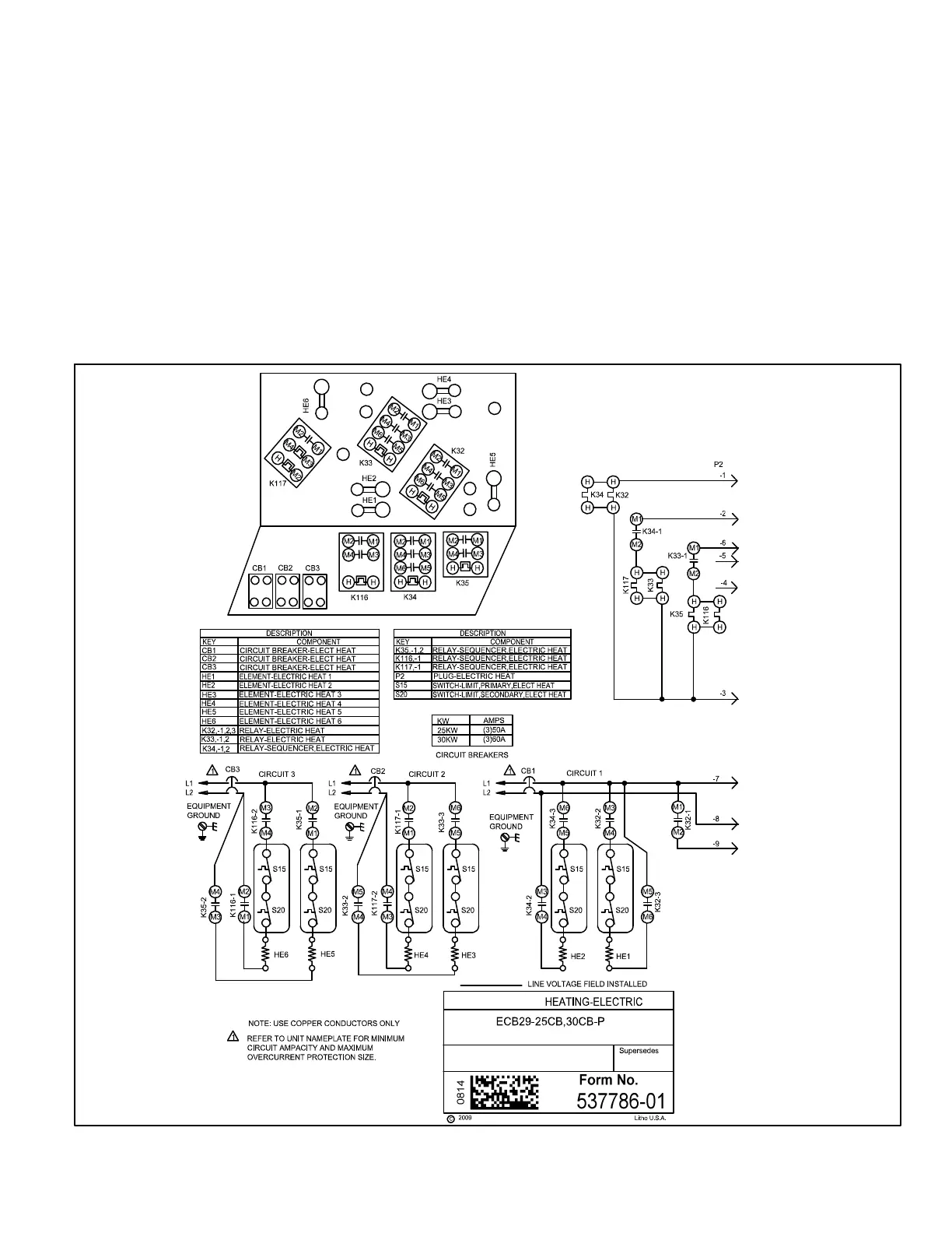
G-ECB29‐25CB - 208/230V SINGLE PHASE - SEQUENCE OF OPERATION
FIRST STAGE HEAT
1- When there is a call for heat, W1 of the thermostat ener
gizes the electric heat relays K32 and K34 with 24VAC.
2- When K32‐1 closes, the blower is energized on heat
ing speed.
3- When K32‐2 and K32-3 close, assuming the N.C.
primary (S15) and secondary (S20) limit switches
are closed, electric heat element HE1 is energized.
4- When K34‐2 and K34-3 close, assuming the N.C.
primary (S15) and secondary (S20) limit switches
are closed, electric heat element HE2 is energized.
SECOND STAGE HEAT
(remove jumper between W2 and R)
5- When K34‐1 closes, the unit is ready for a second stage
heat demand. W2 of the thermostat sends a second
stage heat demand, energizing the electric heat relays
K33 and K117 with 24VAC.
6- When K33‐2, K33-3, K117-1 and K117-2 close, assuming
primary (S15) and secondary (S20) limit switches are
closed, electric heat elements HE3 and HE6 are ener
gized.
THIRD STAGE HEAT
(remove jumper between W3 and R, if using third stage)
7- When K33-1 closes, the unit is ready for a third stage
heat demand. W3, if available, of the thermostat sends
a third stage heat demand, energizing the electric heat
relays K35 and K116 with 24VAC.
8- When K35‐1, K35-2, K116-1 and K116-2 close, as
suming the N.C. primary (S15) and secondary (S20)
limit switches are closed, electric heat elements
HE4 and HE5 are energized.

Other manuals for Lennox CBA27UHE-030

Related product manuals