EasyManua.ls Logo

Lennox CBA27UHE-030

Lennox CBA27UHE-030
45 pages
To Previous Page IconTo Previous Page
To Previous Page IconTo Previous Page
Loading...
Page 45
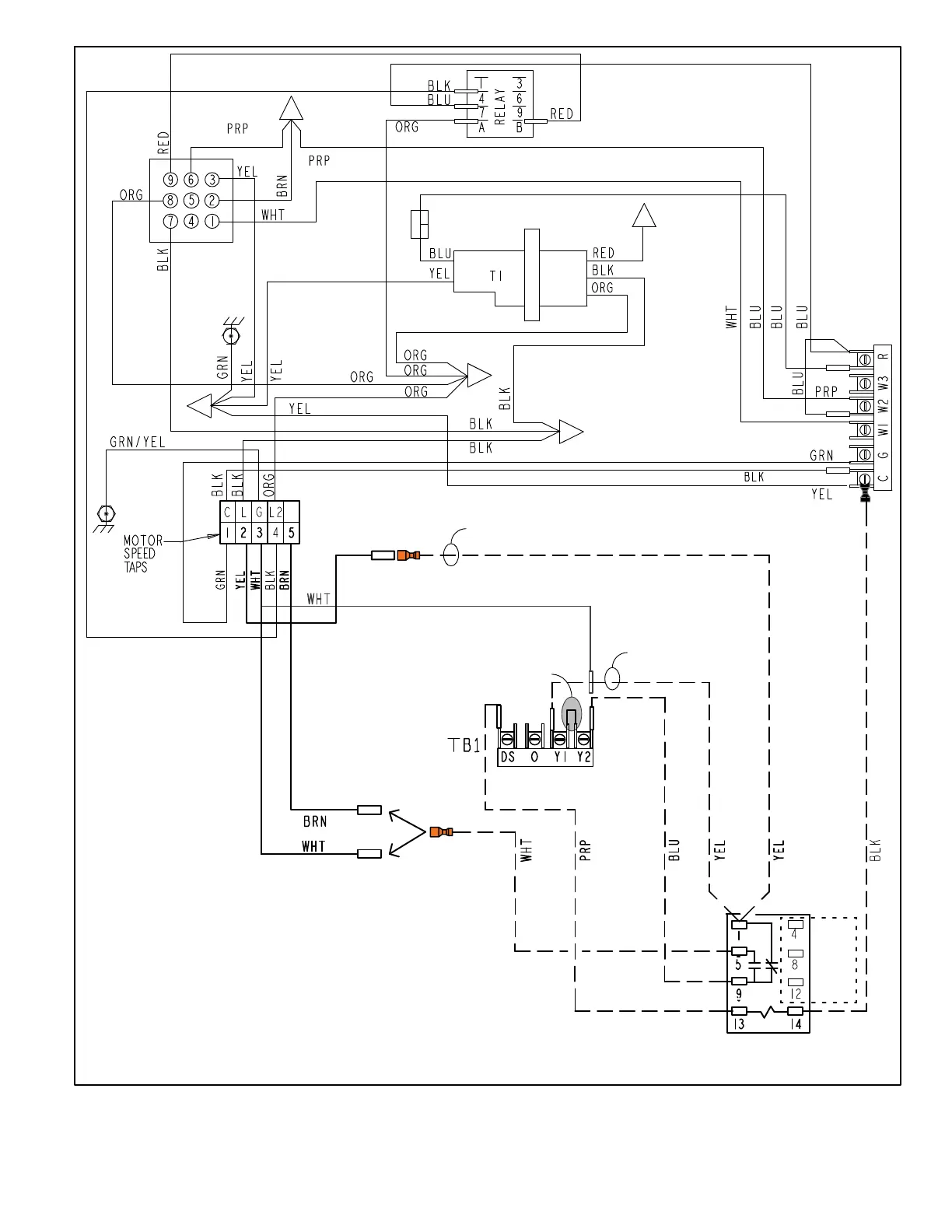
CONNECT FOR 0.50 - 0.80
IN.W.G., TWO-STAGE ONLY;
OTHERWISE, NOT USED
(PINS
4,8,12
NOT
USED)
CONNECT FOR 0.50 - 0.80 IN.W.G.
ONLY; OTHERWISE, NOT USED
Y1-Y2 JUMPER IN FOR
SINGLE-STAGE;
REMOVED FOR
TWO-STAGE
K183 DEHUMIDIFICATION RELAY
AND WIRING HARNESS
0.10 - 0.49 IN.W.G.
WHT - WHT
0.50 - 0.80 IN.W.G.
WHT - BRN
DISCONNECT FROM Y2

Other manuals for Lennox CBA27UHE-030

Related product manuals