EasyManua.ls Logo

Lennox COMFAIR HH 60 - Page 14

Lennox COMFAIR HH 60
20 pages
Print Icon
To Next Page IconTo Next Page
To Next Page IconTo Next Page
To Previous Page IconTo Previous Page
To Previous Page IconTo Previous Page
Loading...
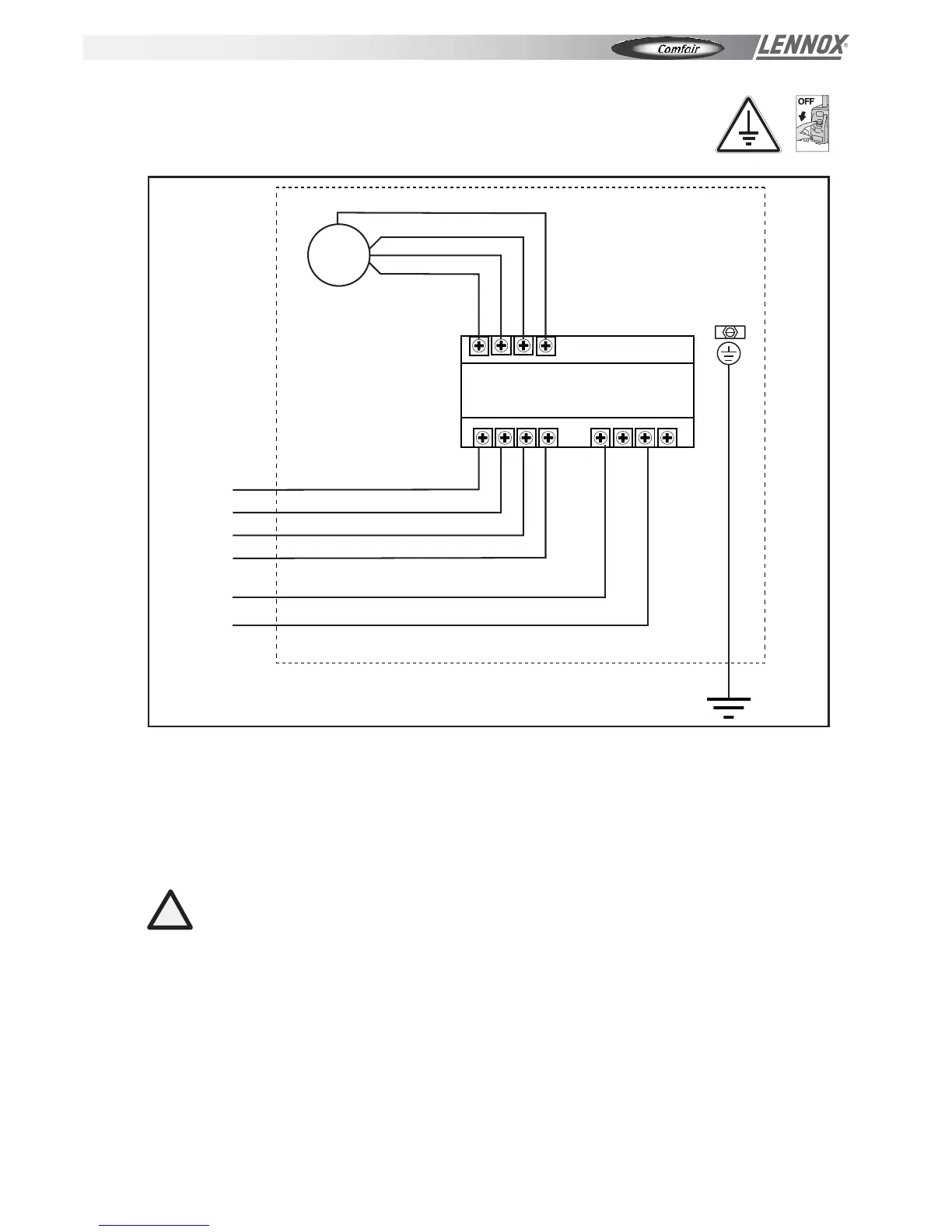
ELECTRICAL CONNECTIONS
Wiring diagram of ductable air treatment unit mod. 50 - 60 .
LEGEND
Ph Phase (brown)
N Neutral (blue)
T Earth (yellow/green)
M Fan motor
I Minimum speed (red)
II Medium speed (blue)
III Maximum speed (black)
Com Common (white)
25 26 27 28
1 2 3 4
Relay interface card
14 15 16 17
M
I
II
III
com
com
I
II
III
230 V / 1 / 50 Hz motor power supply
N
Ph
T
T
CAUTION!
FAILURE TO COMPLY WITH THE INDICATED CONNECTIONS MAY CAUSE MOTOR
BURNOUT!
!
Fig. 17
INSTALLATION - OPERATING & MAINTENANCE MANUAL
Page 12

Other manuals for Lennox COMFAIR HH 60

Related product manuals