EasyManua.ls Logo

Lennox Dave Lennox Signature SL28XCV - Typical Field Wiring Diagrams; Outdoor Unit Wiring Connections; Indoor Unit Wiring Connections; Electrical Safety and Wire Notes

Lennox Dave Lennox Signature SL28XCV
23 pages
To Next Page IconTo Next Page
To Next Page IconTo Next Page
To Previous Page IconTo Previous Page
To Previous Page IconTo Previous Page
Loading...
Page 15
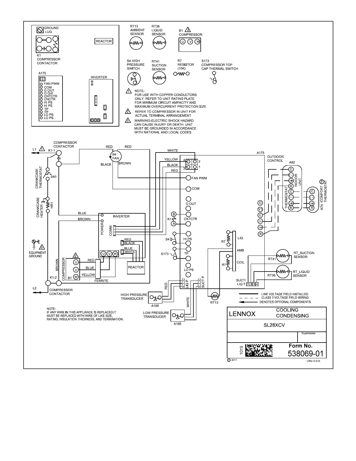
FIGURE 10. Typical Field Wiring

Related product manuals